

| 材質 | 鉄(または標準材)、ステンレス、黄銅(真鍮) |
|---|---|
| 表面処理 | 生地、ユニクロ、三価クロメート、三価ブラック、ニッケル |
| サイズ | M2~M8 |
| 規格 | ISO7047 JIS B 1111 - |
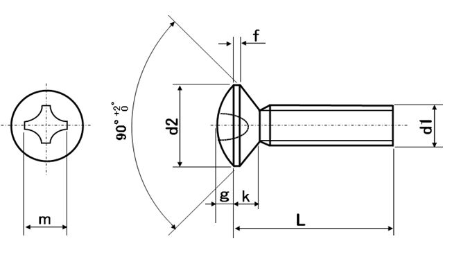
| 特長 | 頭部上面が穏やかに丸みを帯びて凸型をしており、皿小ねじ同様座面は円錐形(90°テーパー)です。使用にはザグリ加工(「皿もみ」とも呼ばれる)が必要です。ドアやサッシ、手すり、コンセントプレートなど目に留まったり、手や物が触れたりする箇所で利用されています。十字穴付き丸皿小ねじ、丸サラ小ねじ、丸サラ、オーバルヘッドねじなどの名称があります。 皿頭は相手材と面一になりますが、表面の駆動溝(リセス)に衣服や部材が引っ掛かることがあります。丸皿小ねじの滑らかな丸みを帯びた頭部は、引っ掛かりを防ぎ物や人に優しく安全です。また、優しい印象を与える外観をデザイン的な要素で選ばれることもあります。ローゼットワッシャーとの組み合わせは、ザグリ加工の必要が無く外観も美しく仕上がるので、化粧ネジとして利用されています。 ねじの「長さ」は頭部のテーパー基部(丸い凸部は除く)からねじ部先端までです。一般的なねじ・ボルトが首下からねじ部先端までを「長さ」とするのと異なりますのでご注意下さい。 |
|---|