

| 材質 | 鉄(または標準材)、ステンレス |
|---|---|
| 表面処理 | 生地、三価クロメート |
| サイズ | M4~M12 |
| 規格 | - - - |
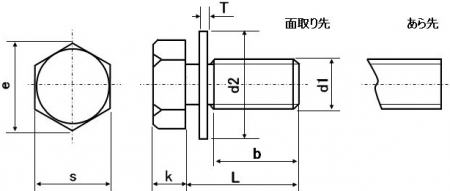
| 特長 | 六角トリーマP=1、座金組込六角ボルトP=1とも呼ばれます。トリーマセムスP=1は六角形の頭をトリミング成型後(トリーマ)、平座金(旧JIS) を組み込んで転造によってねじ山を成型します。転造後はねじの山径の方がワッシャーの内径より大きくなり外れなくなります。通常の平ワッシャー同様、座面陥没防止や緩み止めの効果があります。座金組込の手間を省き、組込忘れや座金を落としてしまう煩わしさを解消。作業能率を上げ、時間と労力を節約できます。 トリーマセムスには平座金(旧JIS)だけ組込まれた本品(P=1)、ばね座金だけ組込まれたもの(P=2)、平座金とばね座金を共に組み込んだもの(P=3、P=4) から目的により選択できます 「セムス」という呼称は1930年代に座金組込ねじを開発、特許を取得したITW(イリノイツールワーク)社の登録商標から来ているようです。英語“pre-asSEMbled washers and screws(あらかじめ組み立てられたワッシャーとねじ) " に現れる文字列“SEM” に一般に箱入で買われるので複数形“S” をつけ“SEMS” と名付けました。 →平座金の規格一覧はこちら |
|---|