12月1日より高力ボルトの割引キャンペーンを実施します!                                    ★★ ねじコンシェル.comは全品 税込 価格です ★★                                    リクエスト商品も受付中です。お気軽にご相談ください。                                    取扱い商品、ドンドン拡充中です。                                    

商品名/型番検索

ショッピングカート

0点の商品が入っています。

合計 0円(税込)

取り扱い商品一覧

A形タッピング

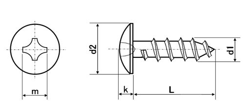
(+)Aトラス タッピング(1種)

材質 鉄(または標準材)、ステンレス、SUS410、チタン
表面処理 生地、ユニクロ、クロメート、三価クロメート、三価ブラック、ニッケル
サイズ 2~8
規格 -
JIS B 1122
-
特長 タッピングねじ(またはタッピンねじ 英Self-tapping screw)の頭部が丸い凸型のトラス頭をしていることからAトラスタッピンやAトラスとも呼ばれます。平ワッシャーの様にワークとの着座面が広いのでより高トルクで締付けることが出来るので緩み難くなります。
A形又は1種はタッピンねじの最も一般的な形状で、木ねじの様に先端部が尖ってピッチが荒いのが特徴です。ねじ自ら相手材の下穴にねじ山を塑性変形させて形成しながら締結するので、ナットやめねじ立てが不要です。また緩んだ際にもワークのスプリングバックによる抵抗が脱落を防ぎます。但し、締結時に大きな抵抗が生じる為、大量のねじ締めは電動・エアー工具使用で行います。
A型(1種)は1.2舒焚爾稜鋼板、木材・ハードボードや石綿、樹脂等に使用し、先端が太いB0型(2種) は薄鋼板及び5舒焚爾慮板、C0型(3種)はより厚い厚板に対応します。先端をカットし刃のあるB1C1は構造用鋼や鋳物に使用出来ます。

軸形状を工夫してねじ込み抵抗を少なくしたタップタイトもご購入頂けます。

・全国一律送料880円(税込)
※ただし一部寸切商品は1,320円(税込)
・11,000円(税込)以上で送料無料!
※返品について
お客様都合での返品は承りかねます。
返品に関してはこちらよりご確認ください。

・本サイトでの最低取引価格は「税込550円~」となります。
なお、「税込550円未満のご注文」に関しては、
「税込550円」として処理させていただきます。
・問合せ商品は、後日当社からご連絡します。
・小数点以下切り上げです。
※箱単価=1本当たりの価格です。

サイズ 材質 表面処理 d2 k m d1 MAX d1MIN 十字穴の番号 - 箱単価 入数 ばら
売り
ばら
単価
税抜
価格
発送目安 数量
(個)
価格
4.5×12 鉄(または標準材) ユニクロ 10.6 2.8 5.1 4.65 4.5 2 3.74 1000 × - 1営業日 0
4.5×16 鉄(または標準材) ユニクロ 10.6 2.8 5.1 4.65 4.5 2 4.16 800 × - 1営業日 0
4.5×20 鉄(または標準材) ユニクロ 10.6 2.8 5.1 4.65 4.5 2 4.69 600 × - 1営業日 0
4.5×25 鉄(または標準材) ユニクロ 10.6 2.8 5.1 4.65 4.5 2 5.24 500 × - 1営業日 0
4.5×30 鉄(または標準材) ユニクロ 10.6 2.8 5.1 4.65 4.5 2 6.04 600 × - 1営業日 0
4.5×35 鉄(または標準材) ユニクロ 10.6 2.8 5.1 4.65 4.5 2 6.96 500 × - 1営業日 0
4.5×40 鉄(または標準材) ユニクロ 10.6 2.8 5.1 4.65 4.5 2 7.97 400 × - 1営業日 0
4.5×45 鉄(または標準材) ユニクロ 10.6 2.8 5.1 4.65 4.5 2 9.17 350 × - 1営業日 0
サイズ 材質 表面処理 d2 k m d1 MAX d1MIN 十字穴の番号 - 箱単価 入数 ばら
売り
ばら
単価
税抜
価格
発送目安 数量
(個)
価格
4.5×50 鉄(または標準材) ユニクロ 10.6 2.8 5.1 4.65 4.5 2 10.37 300 × - 1営業日 0
5×8 鉄(または標準材) ユニクロ 11.8 3.1 5.3 5.2 5 2 4.62 800 × - 1営業日 0
5×10 鉄(または標準材) ユニクロ 11.8 3.1 5.3 5.2 5 2 4.20 800 × - 1営業日 0
5×12 鉄(または標準材) ユニクロ 11.8 3.1 5.3 5.2 5 2 4.32 700 × - 1営業日 0
5×14 鉄(または標準材) ユニクロ 11.8 3.1 5.3 5.2 5 2 4.73 600 × - 1営業日 0
5×15 鉄(または標準材) ユニクロ 11.8 3.1 5.3 5.2 5 2 4.73 600 × - 1営業日 0
5×16 鉄(または標準材) ユニクロ 11.8 3.1 5.3 5.2 5 2 4.73 500 × - 1営業日 0
5×18 鉄(または標準材) ユニクロ 11.8 3.1 5.3 5.2 5 2 5.35 450 × - 1営業日 0
サイズ 材質 表面処理 d2 k m d1 MAX d1MIN 十字穴の番号 - 箱単価 入数 ばら
売り
ばら
単価
税抜
価格
発送目安 数量
(個)
価格
5×20 鉄(または標準材) ユニクロ 11.8 3.1 5.3 5.2 5 2 5.35 450 × - 1営業日 0
5×22 鉄(または標準材) ユニクロ 11.8 3.1 5.3 5.2 5 2 5.97 600 × - 1営業日 0
5×25 鉄(または標準材) ユニクロ 11.8 3.1 5.3 5.2 5 2 5.97 500 × - 1営業日 0
5×30 鉄(または標準材) ユニクロ 11.8 3.1 5.3 5.2 5 2 6.89 500 × - 1営業日 0
5×35 鉄(または標準材) ユニクロ 11.8 3.1 5.3 5.2 5 2 7.97 400 × - 1営業日 0
5×40 鉄(または標準材) ユニクロ 11.8 3.1 5.3 5.2 5 2 9.08 350 × - 1営業日 0
5×45 鉄(または標準材) ユニクロ 11.8 3.1 5.3 5.2 5 2 10.47 300 × - 1営業日 0
5×50 鉄(または標準材) ユニクロ 11.8 3.1 5.3 5.2 5 2 11.82 250 × - 1営業日 0

この商品を購入した方におすすめ

・全国一律送料880円(税込)
※ただし一部寸切商品は1,320円(税込)
・11,000円(税込)以上で送料無料!
※返品について
商品到着後、5日以内に着払いでご返品ください。

・本サイトでの最低取引価格は「税込550円~」となります。
なお、「税込550円未満のご注文」に関しては、
「税込550円」として処理させていただきます。
・お問合せ商品は、後日当社からご連絡します。
・小数点以下切り上げです。
※箱単価=1本当たりの価格です。

▲ページのトップに戻る