3月1日より高強度ステンレスシリーズの割引キャンペーンを実施します!                                    ★★ ねじコンシェル.comは全品 税込 価格です ★★                                    リクエスト商品も受付中です。お気軽にご相談ください。                                    取扱い商品、ドンドン拡充中です。                                    

DIN検索
商品名/型番検索

ショッピングカート

0点の商品が入っています。

合計 0円(税込)

取り扱い商品一覧

ボルト

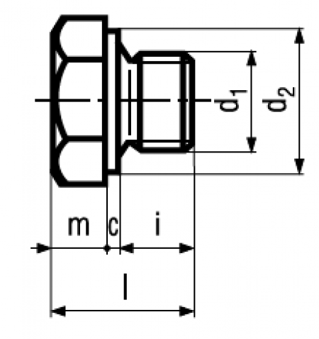
六角頭付ネジプラグ ロングタイプ_DIN

材質 鉄(または標準材)
表面処理 三価クロメート
サイズ M22×1.5~M52×1.5
規格 DIN7604C
特長 配管の止め栓や油圧機器・空圧機器・ポンプ・自動車など耐密用に使用します。スパナやモンキーレンチ等で締付けます。
※海外からのお取り寄せ商品です。

・全国一律送料550円(税込)
※ただし一部寸切商品は1,100円(税込)
・11,000円(税込)以上で送料無料!
※返品について
商品到着後、5日以内に着払いでご返品ください。

・本サイトでの最低取引価格は「税込550円~」となります。
なお、「税込550円未満のご注文」に関しては、
「税込550円」として処理させていただきます。
・問合せ商品は、後日当社からご連絡します。
・小数点以下切り上げです。

サイズ 材質 表面処理 c d2 d3 t i l s 箱単価 入数 ばら
売り
ばら
単価
税抜
価格
発送目安 個数 価格
M22×1.5 鉄(または標準材) 三価クロメート 2 27 14 8 12 20 19 - 1 - - 問合せ 0
M26×1.5 鉄(または標準材) 三価クロメート 2.5 31 16 8 12 22.5 22 - 1 - - 問合せ 0
M30×1.5 鉄(または標準材) 三価クロメート 2.5 36 20 8 12 22.5 22 - 1 - - 問合せ 0
M38×1.5 鉄(または標準材) 三価クロメート 3 44 26 10 12 23 22 - 1 - - 問合せ 0
M52×1.5 鉄(または標準材) 三価クロメート 3 60 38 10 12 23 27 - 1 - - 問合せ 0

・全国一律送料550円(税込)
※ただし一部寸切商品は1,100円(税込)
・11,000円(税込)以上で送料無料!
※返品について
商品到着後、5日以内に着払いでご返品ください。

・本サイトでの最低取引価格は「税込550円~」となります。
なお、「税込550円未満のご注文」に関しては、
「税込550円」として処理させていただきます。
・お問合せ商品は、後日当社からご連絡します。
・小数点以下切り上げです。

▲ページのトップに戻る