3月1日より高強度ステンレスシリーズの割引キャンペーンを実施します!                                    ★★ ねじコンシェル.comは全品 税込 価格です ★★                                    リクエスト商品も受付中です。お気軽にご相談ください。                                    取扱い商品、ドンドン拡充中です。                                    

DIN検索
商品名/型番検索

ショッピングカート

0点の商品が入っています。

合計 0円(税込)

取り扱い商品一覧

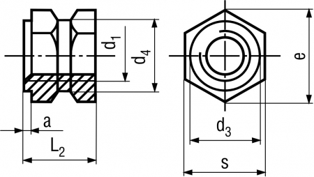
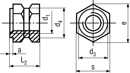
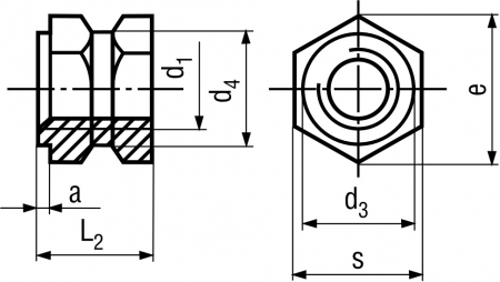
ナット

インサート タイプC_DIN

材質 黄銅(真鍮)
表面処理 生地
サイズ M4~M8
規格 DIN16903C
特長 ※海外からのお取り寄せです。

・全国一律送料550円(税込)
※ただし一部寸切商品は1,100円(税込)
・11,000円(税込)以上で送料無料!
※返品について
商品到着後、5日以内に着払いでご返品ください。

・本サイトでの最低取引価格は「税込550円~」となります。
なお、「税込550円未満のご注文」に関しては、
「税込550円」として処理させていただきます。
・問合せ商品は、後日当社からご連絡します。
・小数点以下切り上げです。

サイズ 材質 表面処理 L2 e? s d3 a d4 - 箱単価 入数 ばら
売り
ばら
単価
税抜
価格
発送目安 個数 価格
M4 黄銅(真鍮) 生地 6 6.9 6 5.5 1 5 - 100 × - 問合せ 0
M5 黄銅(真鍮) 生地 7.5 8.1 7 7 1 6.4 - 100 × - 問合せ 0
M6 黄銅(真鍮) 生地 9 10.4 9 8 1 7.4 - 100 × - 問合せ 0
M8 黄銅(真鍮) 生地 12 12.7 11 10 1 10.4 - 100 × - 問合せ 0

・全国一律送料550円(税込)
※ただし一部寸切商品は1,100円(税込)
・11,000円(税込)以上で送料無料!
※返品について
商品到着後、5日以内に着払いでご返品ください。

・本サイトでの最低取引価格は「税込550円~」となります。
なお、「税込550円未満のご注文」に関しては、
「税込550円」として処理させていただきます。
・お問合せ商品は、後日当社からご連絡します。
・小数点以下切り上げです。

▲ページのトップに戻る