12月1日より高力ボルトの割引キャンペーンを実施します!                                    ★★ ねじコンシェル.comは全品 税込 価格です ★★                                    リクエスト商品も受付中です。お気軽にご相談ください。                                    取扱い商品、ドンドン拡充中です。                                    

DIN検索
商品名/型番検索

ショッピングカート

0点の商品が入っています。

合計 0円(税込)

取り扱い商品一覧

ナット

インサート タイプD_DIN

材質 黄銅(真鍮)
表面処理 生地
サイズ M2.5~M6
規格 DIN16903D
特長

・全国一律送料550円(税込)
※ただし一部寸切商品は1,100円(税込)
・11,000円(税込)以上で送料無料!
※返品について
商品到着後、5日以内に着払いでご返品ください。

・本サイトでの最低取引価格は「税込550円~」となります。
なお、「税込550円未満のご注文」に関しては、
「税込550円」として処理させていただきます。
・問合せ商品は、後日当社からご連絡します。
・小数点以下切り上げです。

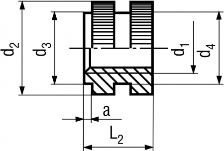
サイズ 材質 表面処理 L2 d2? d3 a d4 - - 箱単価 入数 ばら
売り
ばら
単価
税抜
価格
発送目安 個数 価格
M2.5 黄銅(真鍮) 生地 4 3.8 3.8 0.8 3.4 - 100 × - 問合せ 0
M3 黄銅(真鍮) 生地 4.5 4.2 4.2 1 3.8 - 100 × - 問合せ 0
M3.5 黄銅(真鍮) 生地 5.5 5 5 1 4.5 - 100 × - 問合せ 0
M4 黄銅(真鍮) 生地 6 5.5 5.5 1 5 - 100 × - 問合せ 0
M5 黄銅(真鍮) 生地 7.5 7 7 1 6.4 - 100 × - 問合せ 0
M6 黄銅(真鍮) 生地 9 8 8 1 7.4 - 100 × - 問合せ 0

・全国一律送料550円(税込)
※ただし一部寸切商品は1,100円(税込)
・11,000円(税込)以上で送料無料!
※返品について
商品到着後、5日以内に着払いでご返品ください。

・本サイトでの最低取引価格は「税込550円~」となります。
なお、「税込550円未満のご注文」に関しては、
「税込550円」として処理させていただきます。
・お問合せ商品は、後日当社からご連絡します。
・小数点以下切り上げです。

▲ページのトップに戻る