12月1日より高力ボルトの割引キャンペーンを実施します!                                    ★★ ねじコンシェル.comは全品 税込 価格です ★★                                    リクエスト商品も受付中です。お気軽にご相談ください。                                    取扱い商品、ドンドン拡充中です。                                    

DIN検索
商品名/型番検索

ショッピングカート

0点の商品が入っています。

合計 0円(税込)

取り扱い商品一覧

ボルト

六角頭プラグ シールリング無 細目_DIN

材質 鉄(または標準材)
表面処理 三価クロメート
サイズ M10(P1.0)~M36(P1.5)
規格 DIN910
特長 配管の止め栓や油圧機器・空圧機器・ポンプ・自動車など耐密用に使用します。スパナやモンキーレンチ等で締付けます。
※海外からのお取り寄せ商品です。

・全国一律送料550円(税込)
※ただし一部寸切商品は1,100円(税込)
・11,000円(税込)以上で送料無料!
※返品について
商品到着後、5日以内に着払いでご返品ください。

・本サイトでの最低取引価格は「税込550円~」となります。
なお、「税込550円未満のご注文」に関しては、
「税込550円」として処理させていただきます。
・問合せ商品は、後日当社からご連絡します。
・小数点以下切り上げです。

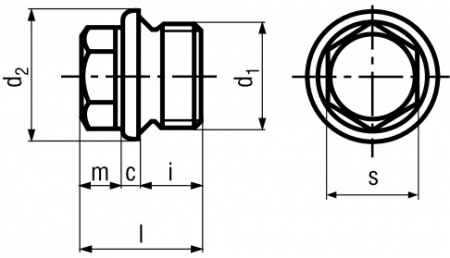
サイズ 材質 表面処理 c d2 i l m s - 箱単価 入数 ばら
売り
ばら
単価
税抜
価格
発送目安 個数 価格
M10(P1.0) 鉄(または標準材) 三価クロメート 3 14 8 17 6 10 - 50 × - 問合せ 0
M12(P1.5) 鉄(または標準材) 三価クロメート 3 17 12 21 6 13 - 50 × - 問合せ 0
M14(P1.5) 鉄(または標準材) 三価クロメート 3 19 12 21 6 13 - 50 × - 問合せ 0
M16(P1.5) 鉄(または標準材) 三価クロメート 3 21 12 21 6 17 - 50 × - 問合せ 0
M18(P1.5) 鉄(または標準材) 三価クロメート 4 23 12 24 8 17 - 25 × - 問合せ 0
M20(P1.5) 鉄(または標準材) 三価クロメート 4 25 14 26 8 19 - 25 × - 問合せ 0
M22(P1.5) 鉄(または標準材) 三価クロメート 4 27 14 26 8 19 - 1 - - 問合せ 0
M24(P1.5) 鉄(または標準材) 三価クロメート 4 29 14 27 9 22 - 1 - - 問合せ 0
サイズ 材質 表面処理 c d2 i l m s - 箱単価 入数 ばら
売り
ばら
単価
税抜
価格
発送目安 個数 価格
M26(P1.5) 鉄(または標準材) 三価クロメート 4 31 16 30 10 24 - 1 - - 問合せ 0
M30(P1.5) 鉄(または標準材) 三価クロメート 4 36 16 30 10 24 - 1 - - 問合せ 0
M36(P1.5) 鉄(または標準材) 三価クロメート - 1 - - 問合せ 0

・全国一律送料550円(税込)
※ただし一部寸切商品は1,100円(税込)
・11,000円(税込)以上で送料無料!
※返品について
商品到着後、5日以内に着払いでご返品ください。

・本サイトでの最低取引価格は「税込550円~」となります。
なお、「税込550円未満のご注文」に関しては、
「税込550円」として処理させていただきます。
・お問合せ商品は、後日当社からご連絡します。
・小数点以下切り上げです。

▲ページのトップに戻る