



| 材質 | ステンレス |
|---|---|
| 表面処理 | 生地 |
| サイズ | M6~M10 |
| 規格 | - - - |
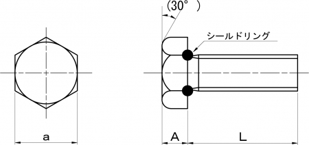
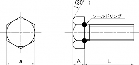
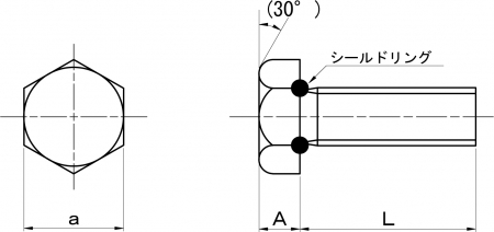
| 特長 | ボルト単体で気体・液体いずれにも高いシーリング効果を発揮する、機能性、作業性、耐食性に優れた漏れ防止用六角ボルトがシールボルトです。 本体は耐食性に優れたオーステナイト系ステンレス(SUS-XM7)製。ボルトの頭部裏側に溝を刻み、圧縮永久歪み・耐油性・耐摩耗性・引張り強さに優れるニトリルゴム製シールドリング(Oリング)を嵌め込みボルトと一体化させています。締め付けた時にリングが外にはみ出るのを抑える形状にデザイン。パッキンの組込み、シール剤の塗布などの手間が無いため、機器の組み立てや分解メンテナンスの作業効率が大幅に向上します。またシールドリングの損傷がない限り、繰り返し使用できるので経済的です。ボルトと相手側に隙間が生じにくい構造で耐油性・耐熱性・耐候性も優れ、水・油・空気を遮断します。太陽光発電、LED照明、医療機器、食品機械類、水中用機器、空調機器、建設機器等に幅広く採用されています。 RoHS2対応品です。 シールドリングのNBRは硬度70°±5°です。 |
|---|