

| 材質 | 鉄(または標準材) |
|---|---|
| 表面処理 | 生地、ユニクロ、ドブ |
| サイズ | W1`~W2-1/2 |
| 規格 | - - - |
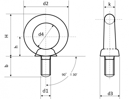
| 特長 | 頭部がリング状になったボルトで、リング部分を目(eye)に見立てて"アイボルト"と呼ばれます。重量物の吊り上げに用いられることから"吊りボルト"とも呼ばれます。 モーター・配電盤・工作機械などの重量物にアイボルトを取り付け、この穴にワイヤーなどを通して吊り上げます。垂直吊りのほか、45°吊りの方法もあります。吊り方によって使用荷重が異なりますのでご注意下さい。ウィット規格品です。 ウィット規格の寸法についてはこちらを御覧ください。 |
|---|