

| 材質 | SCM、ステンレス |
|---|---|
| 表面処理 | 生地、生地(黒色)、ユニクロ、三価クロメート、三価ブラック |
| サイズ | M2~M16 |
| 規格 | ISO7380 JIS B 1174 - |
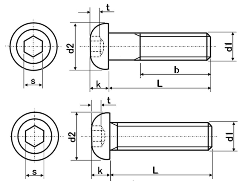
| 特長 | 六角穴付ボタンボルトはボタンキャップ、ボタンボルト、ボタンキャップスクリューとも呼ばれます。六角穴付ボルトに比べ頭部が低く丸みをおびているので”締付後の頭部に引っかかりにくく出っ張りが気にならない” ”見た目が美しい”といったメリットがあります。機械や車両等の一般的な締結に使用されるほか、自転車やバイク、インテリア用品などの人目に触れるデザイン的な要素が求められる箇所に多用されています。 頭部形状はトラス小ねじやなべ小ねじなどの十字穴付きねじと似ていますが、リセス形状がなめやすい十字穴ではなく六角穴なので、高負荷・高トルクでの締付が可能です。 六角穴付ボタンボルトにはJIS規格のほか、SSS規格(主に頭部形状が異なります)も定められており、メーカーによって採用する規格が異なります。更に、全ねじ/半ねじの境界やねじ長なども採用規格・材質等により異なる場合がございます。特に既存のボルトと交換される場合などは、購入前に確認される事をお薦めします。 ※ねじコンシェル.comでは原則としてJIS規格品を取り扱っておりますが、サイズなどによりSSS規格または他の規格となる場合もあります。 ※頭部の六角穴は同じ呼び径の六角穴付ボルトより小さいので締結に使用する六角レンチは規格を確認することをお薦めします。 |
|---|