

| 材質 | ステンレス |
|---|---|
| 表面処理 | 生地 |
| サイズ | M3×8~M8×25 |
| 規格 | - - - |
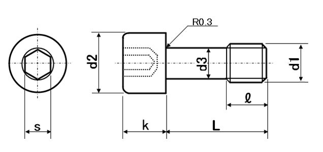
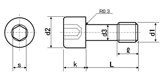
| 特長 | 六角穴付カバーボルトとも呼ばれ、胴部をねじ部よりも細く加工したボルトです。胴部をねじ部よりも細く加工したボルトです。胴部とねじ部に段差があるため、ねじが脱落しにくくなっています。カバーパネルなど、取付け・取外しが頻繁に行われる場所に使用します。異物混入対策が求められる食品機械・包装機械・薬品製造装置のカバーパネルや、メンテナンスを必要とし取付け・取外しを頻繁に行うパネルの固定などに便利です。CEマーキング対策にも有効なねじです。 ※CEマーキングとは、国内製品をEU加盟国などへ出する場合必要な、装置や製品に適用される全てのEC指令の必須要求事項に適合していることを示すマークです。EC指令では、機器・装置の保護カバーや点検カバーはボルトやリベットなど、工具の使用によってのみ脱着可能な仕様にすると共に、その固定用部材が脱落しないよう措置を講じることが求められています。 ※サイズ欄は『ねじ径×首下長さ×ねじ長さ』となります。 ※寸法情報、締結工具サイズはこちらをご覧ください。 |
|---|