

| 材質 | 10.9 |
|---|---|
| 表面処理 | 生地(黒色) |
| サイズ | M3~M12 |
| 規格 | ISO7380-2 - - |
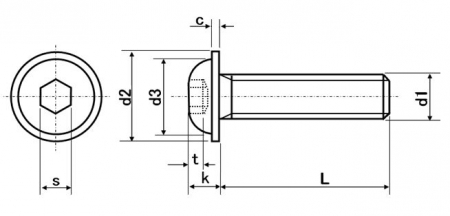
| 特長 | 六角穴付ボタンボルト(ボタンキャップ)の頭部に、フランジと呼ばれるワッシャー形状のつばを一体化したものです。カムアウトしにくく安定した締め付けが可能な六角穴での締結と、ワッシャーよりも強度のある平滑で広い座面により、締め付けトルクと軸力が安定し緩みにくくなります。通常のボタンキャップに比べて座面積が大きいので、面圧(単位面積当たりの圧力)を抑えることができ、ねじの緩みの原因の一つである座面陥没の防止効果が期待できます。合成樹脂やアルミなど割れや変形に気を遣う素材でも高い軸力での締結ができます。 座面が広い為、キリ穴(バカ穴)を大きく出来るので組み立て作業が円滑に進みます。また、ワッシャー組み込み工程を廃止できることによる作業効率のアップ、部品点数の削減とそれに伴う在庫管理の簡素化など、生産性の向上とトータルコストダウンを図るのに有効なアイテムです。そのため、自動車産業での採用が増えています。フランジ付六角穴付ボタンボルトとも呼ばれます。 |
|---|