

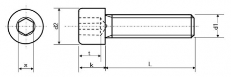
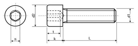
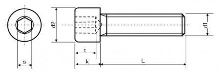
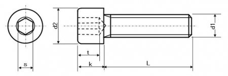
| 材質 | SCM |
|---|---|
| 表面処理 | 生地(黒色) |
| サイズ | M3~M24 |
| 規格 | ISO4762 JIS B 1176 DIN912 |
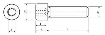
| 特長 | 海外商品でありながら低コストと高品質を高い次元で両立させたボサードブランドの商品です。 六角穴付ボルトは短いサイズは全ねじ(首元までねじが切られている)ですが、首下が一定の長さより長くなると半ねじ(途中までねじが切られている)に切り替わります。この長さはねじの呼び径により規格で定められています。"六角穴付ボルト 全ねじ"は、規格上では半ねじになる首下長さのボルトの首元までねじが切られています。全ねじキャップとも呼ばれます。 六角穴付ボルトはキャップスクリュー・キャップボルトとも呼ばれ、機械や車両等の一般的な締結に広く使用されています。軸の中心に六角レンチを差し込み六角形のすべての辺を利用して締結するので、カムアウトしにくく安定した締め付けができ、高負荷・高トルクでの締付が可能というメリットがあります。 六角ボルトに比べると頭部が小さく省スペースになる上、締結スペースも少なくて済みます。その為、近接する場所で複数箇所締結しなければならない場合でも隣のボルトとの干渉を気にする必要が無く、作業性が向上します。また、狭いスペースでコンパクトに締結できる事から、機器そのものの更なる小型化も図れます。 ※六角穴付ボルト一般の締結工具(六角レンチ)のサイズ相関関係はこちらのPDF資料をご参照ください。 ※お探しのサイズが見つからない場合サイズ展開の幅広いこちらの製品をご覧ください。 |
|---|