

| 材質 | ステンレス |
|---|---|
| 表面処理 | 生地 |
| サイズ | M12~M20 |
| 規格 | - - - |
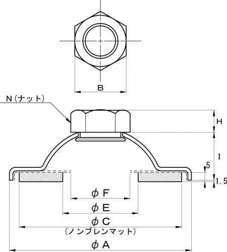
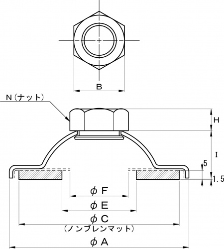
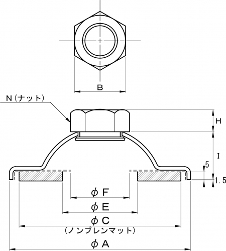
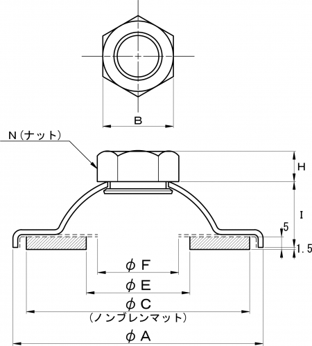
| 特長 | 従来、耐震マットの設置には熟練の設置技術が必要でした。アジャストボルト耐震SH(商品名“DUNK/ダンク”)を使用すると、耐震シートを傷めず短時間で失敗なく設置することが出来ます。 受座底部に “ノンブレンマット”耐震材(ポリウレタンエラストマー)を使用し、接地面ヘピッタっと吸着するため地震などでもズレません。また、市販の六角ボルトと六角ナットを使用しますので任意の長さで調整が可能です。 ノンブレンNonBurenはゲル自体に強い粘着性を持つ材料で、自己接着(粘着)能力と緩衝(耐震・衝撃吸収)能力をあわせ持つ優れたゲル材。700系新幹線の床下防振や半導体製造装置などの精密機械の防振などに採用されています。 ※重心がセンターに無い物や特に水平の必要な時には、アジャストボルトにて水平に設置した後にアジャストボルト耐震SPで固定することをお薦めします。 ※六角ボルトと六角ナット(三種)は別売りです。 アジャストボルト総合カタログはこちら。耐震SHは7ページに掲載。 |
|---|