

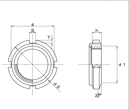
| 材質 | 鉄(または標準材)、S45C、ステンレス |
|---|---|
| 表面処理 | 生地 |
| サイズ | M8~M100 |
| 規格 | - - - |
| 特長 | “ファイン U-ナット”は任意かつ適切な位置決めが可能な画期的ベアリング用緩み止めナットです。ベアリング用ナットの固定に必須であったシャフトのキー溝加工、歯付座金、熟練の組み立て技術は不要です。微調整が可能でトルク管理も容易、歯付座金が不要で折り曲げ忘れの施工不良もありません。ベアリングの回転バランスの向上により機器の回転ロスが減り、消費電力を削減します。再使用も可能です。 Uナットは「フリクションリング」と呼ばれる特殊リングバネをナット上面に加締めた、ねじの緩みの原因の多くを占める戻り回転による緩みに対して効果的な「メタルリングゆるみ止め機能」を持たせた緩み止めナットです。締結の際にリングはねじ山に押されてばね作用を発揮します。リングの弾性力がプリベリングトルク(摩擦トルク)となりねじが戻り回転することを阻止します。樹脂等を用いておらず優れた耐熱、耐寒、耐久性があり再使用可能です。高い安全性とトータルコストダウンを両立するU-ナットシリーズはあらゆる場面で安心・安全のために利用されています。 |
|---|