

| 材質 | 鉄(または標準材) |
|---|---|
| 表面処理 | 三価クロメート |
| サイズ | 3~5 |
| 規格 | - - - |
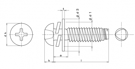
| 特長 | ばね座金とJIS平座金が組み込まれたタップタイトです。組立時に座金をセットする手間が不要なので作業効率が向上します。また、ねじを外した際に座金が脱落する心配も無いので、メンテナンス作業等も容易になります。 タップタイトとはねじの胴部分が三角形(おにぎり形状)になったタッピングねじ(めねじ加工不要で、下穴にねじ込むだけで締結できるねじ)です。胴部分が三角形状のため、通常のタッピングねじに比べてねじ込み抵抗が少ない、相手材のスプリングバックにより緩みにくい、といったメリットがあります。 →平座金の規格一覧はこちら |
|---|