3月1日より高強度ステンレスシリーズの割引キャンペーンを実施します!                                    ★★ ねじコンシェル.comは全品 税込 価格です ★★                                    リクエスト商品も受付中です。お気軽にご相談ください。                                    取扱い商品、ドンドン拡充中です。                                    

商品名/型番検索

ショッピングカート

0点の商品が入っています。

合計 0円(税込)

取り扱い商品一覧

ボルト、建物金物

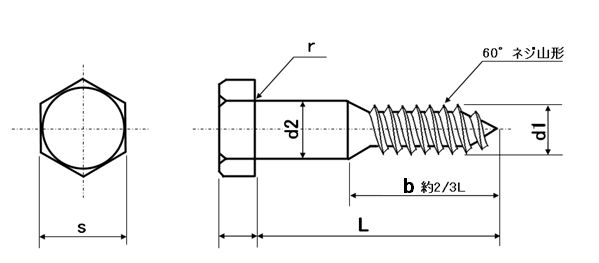
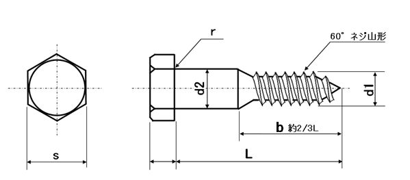
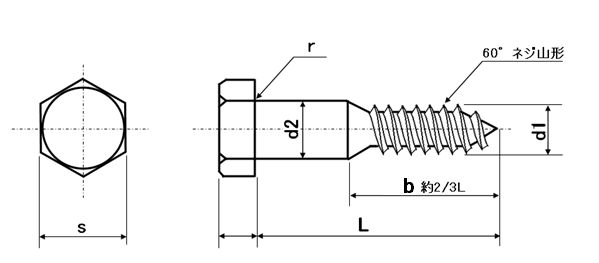
六角コーチスクリュー

材質 鉄(または標準材)、ステンレス
表面処理 生地、ユニクロ、ドブ
サイズ 6~16
規格 -
-
-
特長 建築、土木、造船業界などで用いられている六角ボルトの先端がとがった木工用ねじです。コーチねじやコーチボルトとも呼ばれます。垂木を止めるなどボルト締めするほどの高強度の締結は必要としないが木ねじでは強さが足りない場合に使用されます。引き寄せ金物(ホールダウン金物とも呼ぶ木造建築の耐震性の為の重要な補強金物)や羽子板ボルトなど組み合わせての施工を認定された建築用金物の留め付けにも用います。最初は玄能などで打ち込み、途中からは六角形頭部にめがねレンチやスパナなどを掛けて高トルクで締結できます。木材の端で使用する場合などは下穴を開けると、相手木材の割れを防ぐことが出来ます。下穴径は堅い木材の場合がコーチスクリュー外径の80%、軟らかい木材の場合は外径の30%を目安としてください。

※サイズの径9は径10と兼用になります。

・全国一律送料880円(税込)
※ただし一部寸切商品は1,320円(税込)
・11,000円(税込)以上で送料無料!
※返品について
お客様都合での返品は承りかねます。
返品に関してはこちらよりご確認ください。

・本サイトでの最低取引価格は「税込550円~」となります。
なお、「税込550円未満のご注文」に関しては、
「税込550円」として処理させていただきます。
・問合せ商品は、後日当社からご連絡します。
・小数点以下切り上げです。
※箱単価=1本当たりの価格です。

サイズ 材質 表面処理 呼び径 (d1) s Max. - - - - - 箱単価 入数 ばら
売り
ばら
単価
税抜
価格
発送目安 数量
(個)
価格
12×100 鉄(または標準材) 生地 12 21 48.60 50 97.20 1営業日 0
12×150 鉄(または標準材) 生地 12 21 89.49 50 178.97 1営業日 0
12×180 鉄(または標準材) 生地 12 21 101.64 50 203.28 1営業日 0
12×210 鉄(または標準材) 生地 12 21 182.96 50 365.91 1営業日 0
12×240 鉄(または標準材) 生地 12 21 198.66 50 397.32 1営業日 0
6×30(32) 鉄(または標準材) ユニクロ 6 10 9.71 200 19.41 1営業日 0
6×40(38) 鉄(または標準材) ユニクロ 6 10 10.36 200 20.71 即納可能 0
6×50 鉄(または標準材) ユニクロ 6 10 10.69 200 21.37 即納可能 0
サイズ 材質 表面処理 呼び径 (d1) s Max. - - - - - 箱単価 入数 ばら
売り
ばら
単価
税抜
価格
発送目安 数量
(個)
価格
6×65 鉄(または標準材) ユニクロ 6 10 12.02 200 24.03 即納可能 0
6×75 鉄(または標準材) ユニクロ 6 10 15.49 200 30.98 即納可能 0
6×90 鉄(または標準材) ユニクロ 6 10 20.71 200 41.41 即納可能 0
6×100 鉄(または標準材) ユニクロ 6 10 24.78 200 49.55 1営業日 0
6×125 鉄(または標準材) ユニクロ 6 10 64.08 100 128.15 1営業日 0
8×40(38) 鉄(または標準材) ユニクロ 8 14 11.97 150 23.94 即納可能 0
8×50 鉄(または標準材) ユニクロ 8 14 14.89 150 29.77 即納可能 0
8×65 鉄(または標準材) ユニクロ 8 14 17.62 100 35.23 即納可能 0
サイズ 材質 表面処理 呼び径 (d1) s Max. - - - - - 箱単価 入数 ばら
売り
ばら
単価
税抜
価格
発送目安 数量
(個)
価格
8×75 鉄(または標準材) ユニクロ 8 14 21.40 100 42.79 即納可能 0
8×90 鉄(または標準材) ユニクロ 8 14 24.17 100 48.34 即納可能 0
8×100 鉄(または標準材) ユニクロ 8 14 27.68 100 55.36 即納可能 0
8×125 鉄(または標準材) ユニクロ 8 14 57.89 100 115.77 1営業日 0
8×150 鉄(または標準材) ユニクロ 8 14 81.73 100 163.46 1営業日 0
9×40(38) 鉄(または標準材) ユニクロ 9(10) 17 17.05 150 34.10 即納可能 0
9×50 鉄(または標準材) ユニクロ 9(10) 17 20.24 100 40.48 即納可能 0
9×65 鉄(または標準材) ユニクロ 9(10) 17 23.39 100 46.78 即納可能 0

この商品を購入した方におすすめ

・全国一律送料880円(税込)
※ただし一部寸切商品は1,320円(税込)
・11,000円(税込)以上で送料無料!
※返品について
商品到着後、5日以内に着払いでご返品ください。

・本サイトでの最低取引価格は「税込550円~」となります。
なお、「税込550円未満のご注文」に関しては、
「税込550円」として処理させていただきます。
・お問合せ商品は、後日当社からご連絡します。
・小数点以下切り上げです。
※箱単価=1本当たりの価格です。

▲ページのトップに戻る