

| 材質 | S10T |
|---|---|
| 表面処理 | 生地 |
| サイズ | M16~M24 |
| 規格 | - - - |
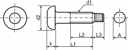
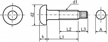
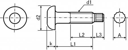
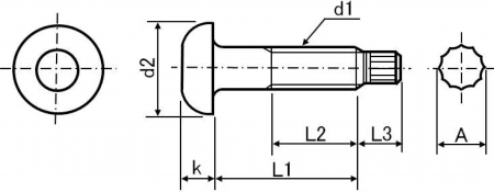
| 特長 | 一般的な鋼材よりも引張強度を向上させた「ハイテン」や「高張力鋼」と呼ばれる鋼材で作られた高力ボルトです。トルシアボルト・TCボルト・摩擦接合用高力シャーボルトとも呼ばれます。鉄骨造では、主要な部材のボルト接合部は高力ボルトのみ使用し、接合方法は主に摩擦接合や引張接合とされ厳密なトルク管理を行うことが義務付けられています。 高力ボルトは現在2種類、トルクシャー高力ボルト(S〇T)と ハイテンション六角ボルト(高力六角ボルトF1〇T)です。S〇T のS はStructural(構造)、F〇T のF は、Friction (摩擦)、T はボルトの引張強さであるTensile Strengthを表し、〇は引張強さ〇00N/㎟を示しています。 ボルト先端にピンテールと呼ばれる物があり、専用工具で締付けると所定のトルクで破断するようになっています。これにより、適正な締付けトルクを得られるので、トルクレンチで一つ一つ締付け力のチェックを行う必要がなく、作業効率が向上します。 専用のナットとワッシャーが各1個ずつセットになっています。 |
|---|