

| 材質 | 鉄(または標準材)、ステンレス |
|---|---|
| 表面処理 | 生地、三価クロメート、三価ブラック、ニッケル |
| サイズ | M2~M8 |
| 規格 | - - - |
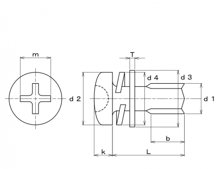
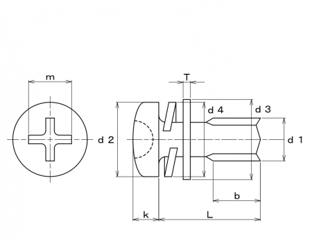
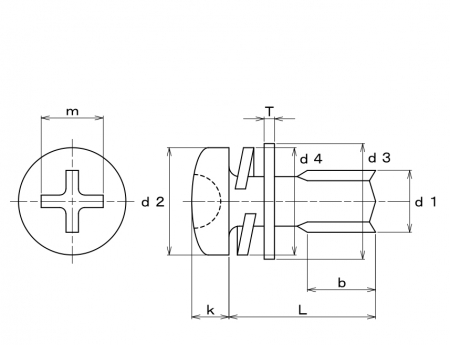
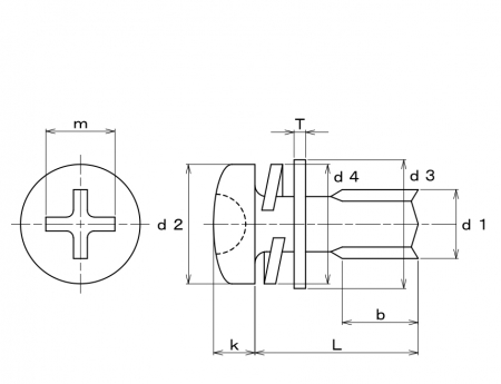
| 特長 | なべ小ねじに平座金(ISO規格)とばね座金(スプリングワッシャー)があらかじめ組み込まれているねじです。座金はねじから脱落しない構造となっており、組立時に別部品として用意・挿入する手間を省くことができます。そのため、部品点数の削減や作業時間の短縮、締結作業の効率化に効果があります。 平座金により座面の接触面積が広がり、被締結材への面圧を分散して座面の傷付きや陥没を防ぎます。また、ばね座金の働きにより締結後のゆるみを抑える効果もあります。主に振動のある箇所や、ゆるみ防止が求められる用途に適しています。 →平座金の規格一覧はこちら |
|---|