


| 材質 | SCM、ステンレス |
|---|---|
| 表面処理 | 生地、生地(黒色) |
| サイズ | #2~1/2 |
| 規格 | - - - |
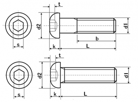
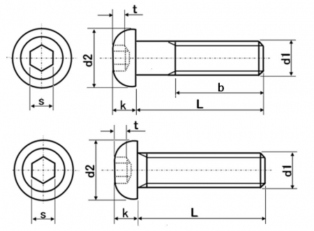
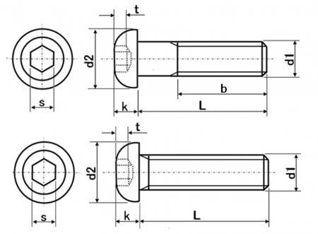
| 特長 | 六角穴付ボタンボルトのユニファイ規格(並目)です。ねじの呼び径やピッチがインチ 【1"(1インチ)≒25.4mm】で規定されるインチねじとなります。ねじのピッチは1インチあたりの山数で表されます。サイズによってはウィット規格の雌ねじに嵌めることが出来ますが、ねじ山の角度が異なるため、厳密に言えば互換性はありません。 六角穴付ボタンボルトはボタンキャップ、ボタンボルト、ボタンキャップスクリューとも呼ばれ、六角穴付ボルトに比べ頭部が低く丸みをおびており、締付後の頭部の出っ張りが気にならず引っかかりにくくて安全、また見た目が美しいというメリットがあります。ユニファイ規格ということもあり、欧米製の機械、自転車・バイク・自動車といった車両の一般的な締結に使用されています。 ユニファイねじの規格詳細についてはこちらをご参照下さい。六角穴もインチ規格ですので締結工具(六角レンチ・六角棒スパナ)はこちらをご利用ください。 お得な‘ボサード品’もございます。 ※全ねじ・半ねじは各メーカーなどの規格に準じます。 ※材質はSCMと表記しておりますが、ALLOY STEEL(SCM相当材)となります。 |
|---|