



| 材質 | ステンレス |
|---|---|
| 表面処理 | 生地 |
| サイズ | M3~M20 |
| 規格 | - - - |
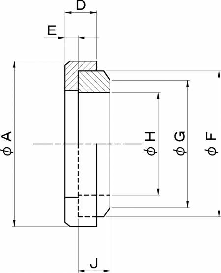
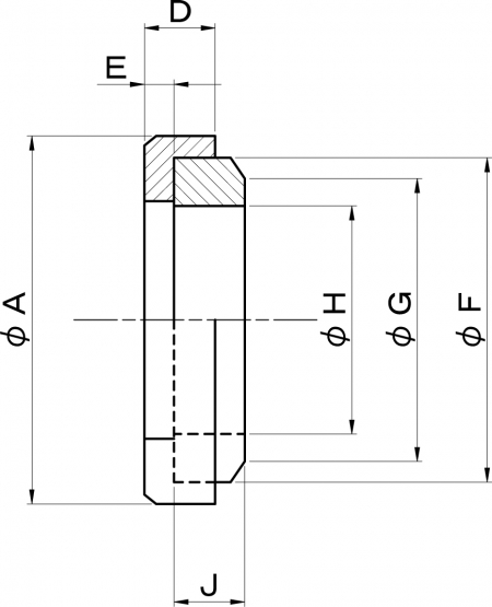
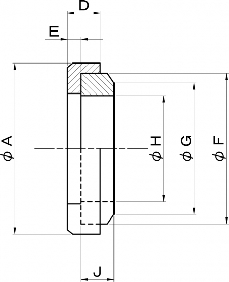
| 特長 | 皿頭以外の様々なねじ頭の形状に対応する油圧・空圧機器用の座金でシールワッシャーとも呼ばれます。耐油性・耐熱性・耐候性・耐摩耗性に優れたNBR(ニトリルゴム)製シールドリングがSUS304製の座金の裏側にピッタリ入る形で組み込まれ、20MPa×1分間の防水試験をクリアする高防水性能を発揮します。ねじを締めつけてもシールドリングが逃げず、ねじ山部と座金との間隙に圧着してシーリング効果を発揮します。別途パッキンを選定して座金に組み込む、シール剤を塗布する等の手間は不要な為、組み立てや分解メンテナンス時の作業効率がアップし、ゴムの損傷がない限り繰り返しの使用も可能で経済的です。太陽光発電、食品機械類、水中用機器、通信機器、建設機器、その他機器類に気体・液体の漏れ防止として幅広くお使いいただけます。 RoHS 2 対応品です。 様々な形状のシールシリーズもご利用ください。 ボルトと座金サイズを合わせて下さい。(M10ボルト→M10ワッシャー) シールドリングのNBRは硬度70°±5°です。 |
|---|