

| 材質 | 鉄(または標準材)、ステンレス |
|---|---|
| 表面処理 | 生地、ユニクロ、ドブ |
| サイズ | 6~16 |
| 規格 | - - - |
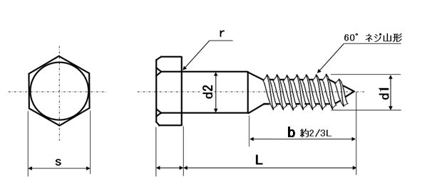
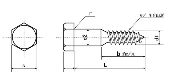
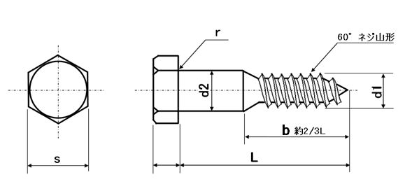
| 特長 | 建築、土木、造船業界などで用いられている六角ボルトの先端がとがった木工用ねじです。コーチねじやコーチボルトとも呼ばれます。垂木を止めるなどボルト締めするほどの高強度の締結は必要としないが木ねじでは強さが足りない場合に使用されます。引き寄せ金物(ホールダウン金物とも呼ぶ木造建築の耐震性の為の重要な補強金物)や羽子板ボルトなど組み合わせての施工を認定された建築用金物の留め付けにも用います。最初は玄能などで打ち込み、途中からは六角形頭部にめがねレンチやスパナなどを掛けて高トルクで締結できます。木材の端で使用する場合などは下穴を開けると、相手木材の割れを防ぐことが出来ます。下穴径は堅い木材の場合がコーチスクリュー外径の80%、軟らかい木材の場合は外径の30%を目安としてください。 ※サイズの径9は径10と兼用になります。 |
|---|