

| 材質 | 鉄(または標準材)、ステンレス |
|---|---|
| 表面処理 | 生地、三価クロメート |
| サイズ | M8 M10~M20 |
| 規格 | - - - |
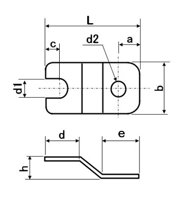
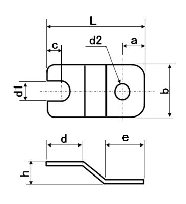
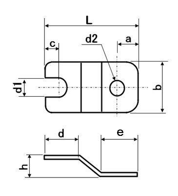
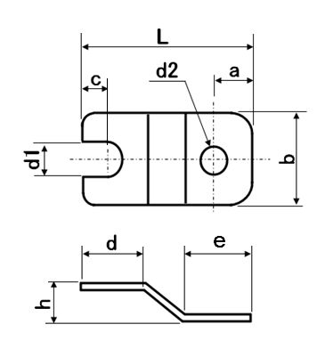
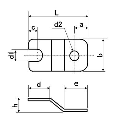
| 特長 | 標準型のアジャストボルトをしっかり固定する為の金具です。ベルトコンベアー、工作機械など振動を有する装置の設置の際、アジャストボルトのみでの設置では不安な場合に使用します。脚止め金具の凹んだ部分を受座の六角ナット部にはめ込み、穴の開いた部分を芯棒打込み式あと施工アンカーなどを用いて簡単に固定できます。後施工が可能なため安心です。 アジャストボルトをしっかりと固定するためにベース部分にアンカー用の穴が加工されている固定用や固定用(ミニ)といった商品もあります。 M8用とM10用は共通です。 板厚はM8(M10)がt=2.0、M12以上はt=3.0になります。 アジャストボルトのカタログはこちら。脚止め金具は26ページに掲載しています。 |
|---|