

| 材質 | 鉄(または標準材)、ステンレス、SUS316L、SUS410、チタン |
|---|---|
| 表面処理 | 生地、ユニクロ、三価クロメート、三価ブラック、ニッケル |
| サイズ | 2~8 |
| 規格 | ISO7050 JIS B 1122 - |
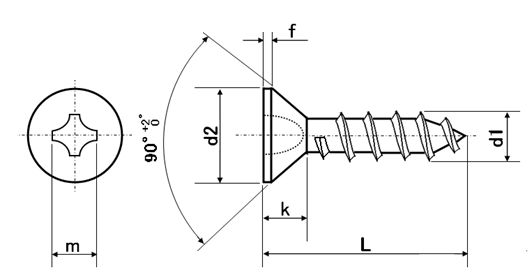
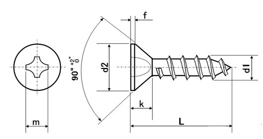
| 特長 | ナットやめねじ立てが不要なセルフタップタッピング機能を備え、タッピングねじまたはタッピンねじ(英Self-tapping screw)といいます。こちらは形状からA皿タッピンやA皿とも呼ばれます。“皿"は頭部形状に由来しており、頭部を沈めるためには座ぐりが必要です。様々な頭部形状のA形(1種)タッピンねじがあります。 ピッチが荒く先端部が尖っているA形(1種)は最も一般的な形状のタッピンねじです。相手材の下穴にねじ山を塑性変形により成型しながら締結します。締結時に大きな抵抗が掛かる為、電動・エアー工具を使用することが多いです。緩んだ時にも抵抗が大きくねじの脱落を防ぎます。 A型(1種)は1.2舒焚爾稜鋼板やハードボード、木材、石綿などの締結に使用します。先端が太いB0型(2種) は薄鋼板及び5舒焚爾慮板や非金属・樹脂等に使用し、C0型(3種)はより厚板に対応します。先端の1/4をカットしたB1・C1は切削によりめねじを形成し構造用鋼や鋳物にも使用できます。 ねじ込み抵抗の少ないタップタイトも便利です。 |
|---|