

| 材質 | 鉄(または標準材) |
|---|---|
| 表面処理 | 三価クロメート、三価ブラック |
| サイズ | 2~5 |
| 規格 | - - - |
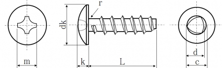
| 特長 | ねじの胴部分が三角形(おにぎり形状)になったタッピングねじです。相手材を塑性変形させ、めねじを形成しながらねじ込むのは通常のタッピングねじと同様ですが、胴部分が三角形状のため、1.通常のタッピングねじに比べてねじ込み抵抗が少ない、2.めねじ材が収縮する事により緩みにくい、といったメリットがあります。 Bタイプは2種(B)タッピングの改良品で、2種タッピングとピッチが同じになっています。 薄板やプラスチックなどに使用します。 |
|---|