


| 材質 | 鉄(または標準材) |
|---|---|
| 表面処理 | 三価クロメート |
| サイズ | 3~4 |
| 規格 | - - - |
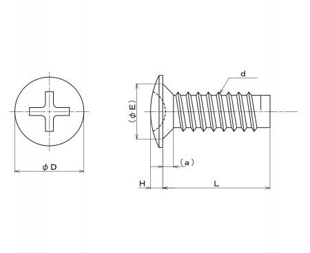
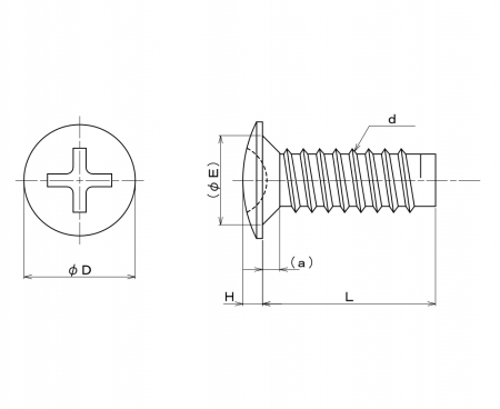
| 特長 | 締付面が極力平面になるように頭部の高さを極限まで低くしたタップタイト、ねじの胴部分が三角形(おにぎり形状)になったセルフタッピングするタッピングねじです。頭部が極薄なのでなべ頭やトラス頭とは異なり締付後の頭部の出っ張りが気になりません。また皿頭のように事前にザグリ加工する必要が無く工数削減にも貢献します。 通常のタッピングねじと同様ねじ込みの際に相手材を塑性変形させ、めねじを形成しながら締結しますが、タップタイトは胴部分の三角形状により1.通常のタッピングねじに比べてねじ込み抵抗が少ない、2.めねじ材が収縮する事により緩みにくい、といったメリットを持っています。 Bタイトは2種(B)タッピングの改良版でねじピッチが同じ小ねじよりやや粗いもので薄鋼板(0.6〜3.2mm)やプラスチックなど幅広い材質への使用が出来ます。構造用鋼・鋳物・非鉄鋳物等の金属用途には小ねじ類と互換性も有るSタイプを、可塑性樹脂へは樹脂専用のPタイプをご利用ください。 ラミクス・ラミメイトは日東精工の登録商標です。 |
|---|