




| 材質 | 鉄(または標準材) |
|---|---|
| 表面処理 | ZINC FLAKE(コート) |
| サイズ | M5~M24 |
| 規格 | - - - |
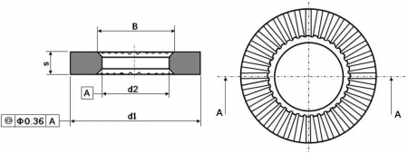
| 特長 | RIPP LOOK®(リップロック)ワッシャーはドイツベルホフ社製の緩み止めロックワッシャーです。ワッシャー両面の放射状の凸(リブ)が特徴です。締結時にボルト首下座面と母材被締結部に食い込みロック、リブのピッチの角度はねじのリード角よりも大きく作られ高い耐振動効果を発揮します。また、しっかり食い込み母材の上で回転せずダメージを最小に抑えます。ワンピース構造の座金のみで緩み止め効果が有るため部品点数を削減できます。簡単に締結・取り外し出来るので作業時の煩わしさはなくリユースも可能。トータルコストの低減にもなります。表面硬度は400-500HV、強度区分12.9までのすべての材質に対応しています。また外径と厚みがISO規格とほぼ同等の為、違和感を伴いません。 表面処理は環境に配慮したZinc Flake(亜鉛フレークコーティング)でクロムフリー。RoHS及びWEEE指令に準じています。 ボルト・ナットとサイズを合わせてご使用ください(呼び径M10ボルト→M10ワッシャー)。 ※他のワッシャーと重ねて使用すると緩み止め効果を得られません。ご注意ください。 |
|---|