

| 材質 | 鉄(または標準材)、ステンレス |
|---|---|
| 表面処理 | 生地、三価クロメート、三価ブラック、ニッケル |
| サイズ | M1.4~M2.6 |
| 規格 | - - - |
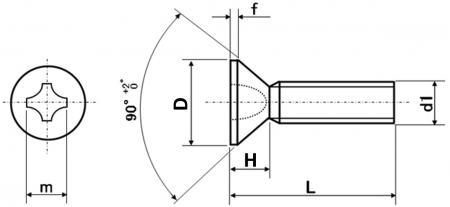
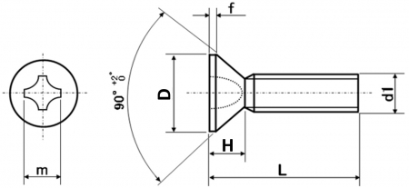
| 特長 | マイクロねじと呼ばれる「精密機器用十字穴付き小ねじ」(日本写真機工業規格(JCIS))に準じた皿頭小ねじです。0番皿小ねじ、精密ねじ、カメラネジ、眼鏡ビスなどとも呼ばれます。カメラや眼鏡、PC・スマホ・携帯音楽プレイヤー等の小型精密機器や電子機器で利用されています。 「0番」は駆動溝(リセス)のサイズを表します。JIS規格「#0(ゼロ番)」十字穴で#0の+ドライバーで廻すことができます。また皿小ねじ0番には「1種」と「3種」があり、これは頭部のサイズを表します。1種の方が小さくJIS皿小ねじとの比較で頭部高さが50%程、3種は75%程になります。ピッチはメートル並目で頭部のテーパー角は90°です。皿頭なのでザグリ加工を必要としますがコンパクトで引っ掛かりなくフラットに仕上がります。皿頭は他のねじとは異なり長さに頭部を含みます。 マイクロねじは狭所、精密箇所などに使用され、小型高密度化や軽量化の達成に役立ちます。ねじコンシェルは多彩な0番小ねじラインナップで多様なニーズにお応えします。 |
|---|