

| 材質 | 鉄(または標準材)、ステンレス |
|---|---|
| 表面処理 | 生地 |
| サイズ | M3~M42 |
| 規格 | - - - |
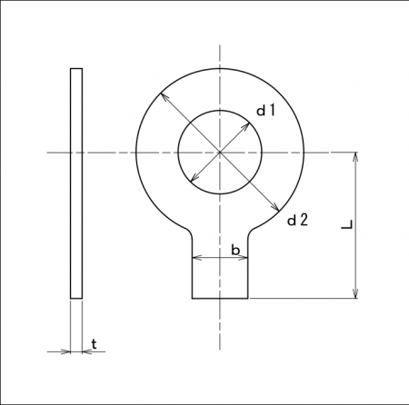
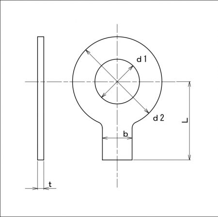
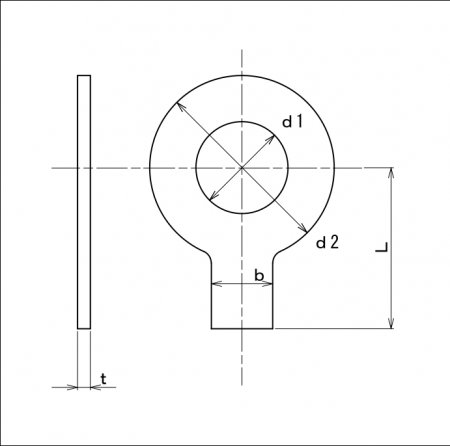
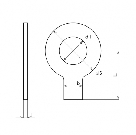
| 特長 | 丸ワッシャーに舌のように見える出っ張りがあることから舌付き座金の名前がついています。こちらは「舌」が1枚なので片舌付き、「舌」が2枚のものは両舌付きワッシャーと呼ばれます。緩み方向への回転により軸力(予張力)が抜ける回転緩み対策として使用されます。 ワッシャーの「舌」を締結後にワークの突起物等に引っかかる様にセット、あるいはねじ締め後「舌」をワークの角や設けた溝へ折り曲げワッシャーを固定し、その後ワッシャー外周の一部をナットの一辺と平行に折り曲げぴったりと密着させます。こうすることで振動等が加わってもナットは回転せず緩み止め効果が得られます。 舌付きワッシャーは取り付けの作業時間が長く、緩み止めの効果性が作業者の熟練度に依存するため、簡単作業で確実な効果が得られるノルトロックワッシャーや、Uナット、ペタルファスナー等の緩み止め商品を導入することで工期の短縮やコストの削減を図ることのできる場合もあります。 ボルトとサイズを合わせてご使用ください。(M10ボルト→M10ワッシャー) |
|---|