

| 材質 | 鉄(または標準材)、ステンレス |
|---|---|
| 表面処理 | 生地 |
| サイズ | M3~M48 |
| 規格 | - - - |
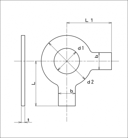
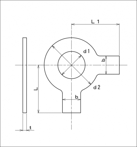
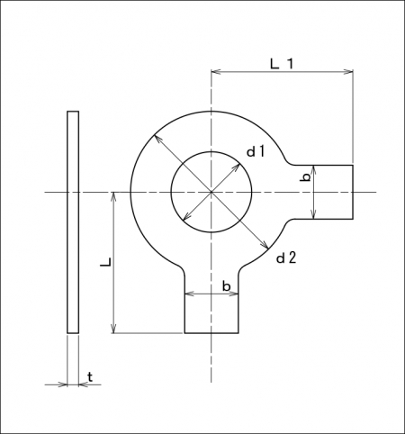
| 特長 | 舌のように見える出っ張りが丸座金にある事から舌付き座金と呼ばれています。「舌」が1枚のものは片舌付きワッシャー、本品の様に「舌」が2枚は両舌付きワッシャーの名前があります。回転緩み(緩み方向へナット・ボルトが回転することで軸力が抜けてしまう事)対策用の緩み止めです。 ワッシャーの一方の「舌」をワークの突起等に引っ掛ける様にセットしたり、ねじ締め後にワークの角や設けた溝へ折り曲げたりしてワッシャーを固定し、もう一方の「舌」を立ち上げてナットの側面にぴったりと密着させて使用します。振動がある環境でもナット自身は回転できない為、効果的な緩み止めとなります。 舌付きワッシャーはセットに時間が掛かり、慣れた作業者でなければ十分の効果を得にくいデメリットがあります。ノルトロックワッシャーや、Uナット、ペタルファスナー等の緩み止め商品を導入することで確実な緩み止めと時短によるコストの削減を図ることのできる場合もあります。 ボルトとワッシャーのサイズを合わせてご使用ください。(M10ボルト→M10ワッシャー) |
|---|