

| 材質 | 鉄(または標準材) |
|---|---|
| 表面処理 | 三価クロメート |
| サイズ | M3~M16 |
| 規格 | - - - |
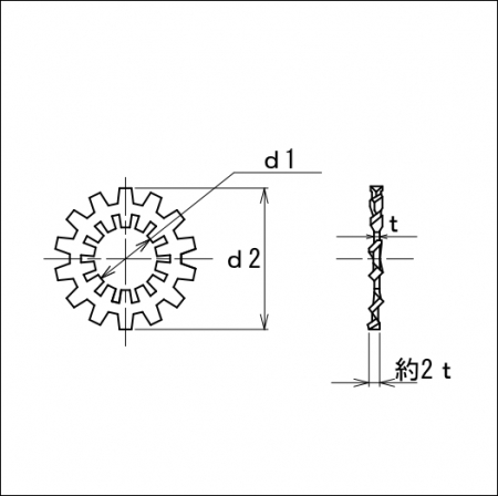
| 特長 | ワッシャーの外側にも内側にも突起があるので内外歯付座金・内外歯付ワッシャーとも呼ばれます。見た目から菊座金の名称もありロックワッシャー、スターワッシャーとも呼びます。 歯付ワッシャーは外側や内側につけた突起を絞って立ち上げた「歯」を持つ座金です。ねじで締結する際にナットやねじ・ボルトの着座面と被締結材の間に挟み込み使用します。この「歯」がつぶされる際に生じる反発力と接合面に「歯」が食い込むことで、ねじのガタツキや緩みを防止し、回り止めとして働きます。また端子の取り付け部などにおいて、相手材表面の塗装や皮膜を傷付け電気的な導通確保を目的に使用される場合もあります。 内外歯付は最も歯が多くなるため緩み止め・回り止めとして最も効果的とされています。締結後、外周に傷などを見せたくない場合には外周に歯の無い内歯付を使用します。他にも歯が外側のみにある外歯付き、皿頭小ねじ用の皿形歯付きの歯付座金もあります。 ボルトとワッシャーのサイズを合わせてご使用ください。(М10ボルト→М10ワッシャー) |
|---|