

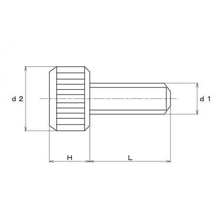
| 材質 | ステンレス |
|---|---|
| 表面処理 | 生地 |
| サイズ | M3~M6 |
| 規格 | - - - |
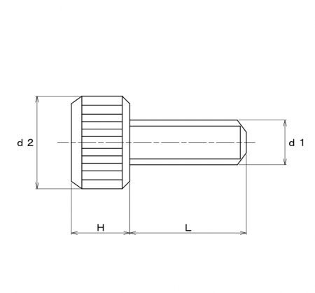
| 特長 | ローレットビスとも呼ばれます。円筒形の頭部外周側面にギザギザの滑り止め(縦目ローレット加工)が施してある、頭部を指先で摘んで締め付けたり緩めたりする事のできる手締めねじ(つまみねじ)です。手だけで回すため締めすぎる心配がありません。高級感のある金属製でシャープでクールな印象の外観は製品を引き立てます。工具が必要ないので頻繁に回す調整ねじやPC・制御盤・工作機械等のカバーの取り付け、軸部の回り止め、家具などのデザイン的な要素が求められる箇所などに便利です。 こちらの商品には頭部へのドライバー用の割りはありません。すり割り付きのローレットねじはリンク先からご購入いただけます。ポリカーボネイト製のローレットねじもございます。 経済的な樹脂製の化粧手締めねじ、ナイロン化粧ねじもございます。 |
|---|