

| 材質 | 10.9 |
|---|---|
| 表面処理 | 生地(黒色) |
| サイズ | M12~M20 |
| 規格 | - JIS B 1180 - |
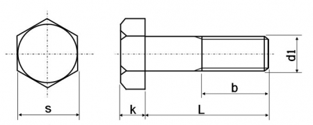
| 特長 | 六角ボルトは、機械類、建築関係の締結などに幅広く用いられる頭部が六角形の一般的なボルトです。こちらは半ねじ(半ネジ)です。半ねじという名称ですが、首下の半分がねじ部という事ではありません。またこの半ねじ六角ボルトを“中ボルト”とも呼びますが、この呼称は中規格(仕上げ程度の中)を表すために用いたり、建築業界ではJISB1051ボルト・小ねじ類を“中ボルト(普通ボルト)”、F8T・F10Tのボルト類を“高力ボルトと呼んだりするので注意が必要です。 スパナ等の工具で頭部を外側から駆動しますが、ボックスレンチ等にて頭部六辺全てにトルクを掛けて締付けると安全・確実に締結する事が出来ます。 ねじ長はメーカーにより異なる場合があります。概算のねじ長は次の計算式で求められます。 【ねじ長さ概算計算式】 129侈に=ねじ径×2+6 130〜219弌瓩佑厳臓滷押棕隠 220舒幣紂瓩佑厳臓滷押棕横 ※材質欄の『10.9』は鉄の強度区分となります。 サイズ・材質が幅広い展開こちらのご用意もあります。 |
|---|