

| 材質 | ステンレス |
|---|---|
| 表面処理 | 生地 |
| サイズ | M3~M8 |
| 規格 | - - - |
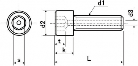
| 特長 | 鍋屋バイテック会社(NBK)製の商品です。560年永禄3年岐阜市で鋳造業を創業し450年余りの歴史を誇ります。 締結時にねじ穴底に溜まるガス除去のための軸方向の貫通穴(ガス抜き穴)を持つガス穴付六角穴付ボルトです。真空装置、真空容器、FPD製造装置、半導体製造装置などで用いられます。目標圧力までより早く到達し残留ガスによる「バーチャルリーク」を除去します。ガス抜き穴(は金属組織への影響を少なくした加工を施し使用時の脆弱破壊の危険性を軽減しています。 締結時にねじ穴の先端に溜まったガスが減圧されると僅かずつねじ山の隙間を通って漏れ出てきます(バーチャルリーク)。目標圧力になかなか下がらない、ポンプ停止後徐々に真空度が下がるといった問題を引き起こします。気圧と体積の間には温度・質量が一定の場合に(気圧)×(体積)=(一定)の関係(ボイルの法則)が成り立ちます。大気圧(約1013hPa)から低真空(100Pa程度)に減圧した場合、気体の体積は1000倍となります。わずかなガスの滞留が大きな影響を及ぼすのはこのためです。 お探しのサイズが見つからない場合はこちらもご覧ください。チタン製もご用意できます。 |
|---|