

| 材質 | 鉄(または標準材)、ステンレス、黄銅(真鍮) |
|---|---|
| 表面処理 | 生地、ユニクロ、クロメート、三価クロメート |
| サイズ | M3~M12 |
| 規格 | - - - |
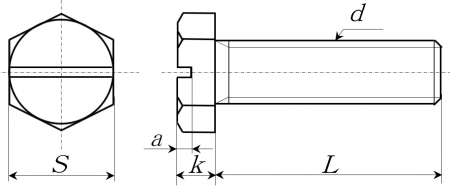
| 特長 | 頭部が正六角形の六角ボルトにすり割り【ねじ回し(マイナスドライバー)の先端を差し込んでねじ部品を回転するために設けた溝】が付いた全ねじ(首元からねじ先端までネジ山が加工されている)タイプです。頭部の外側からスパナやめがねレンチ、ソケットレンチを用いて締め付けることはもちろん頭部の“すり割り”にマイナスドライバーを差し込んで締付ける事もでき、様々な条件の下で締結フレキシブルに運用できる特徴があります。また、リセスにごみがたまりにくい、ごみが入り込んだ場合でも除去しやすいというメリットもあります。現在でも鉄道や交通関係、家具や雑貨などで使用されています。 すり割り付六角ボルト、すり割りボルトとも呼ばれ、工具がなくてもコインで締付可能なことからコイン割とも呼ばれることもあります。 確実な作用を行うため溝の幅(図面中a寸法)に合った“ねじ回し(マイナスドライバー)”をご使用ください。 ※画像はイメージとなります。材質により頭部へ刻印など画像とは異なる場合がございます。 |
|---|