


| 材質 | 鉄(または標準材) |
|---|---|
| 表面処理 | 三価クロメート |
| サイズ | M1.4~M1.4 |
| 規格 | - - - |
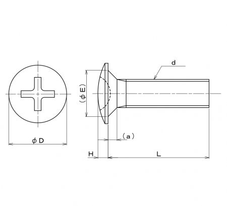
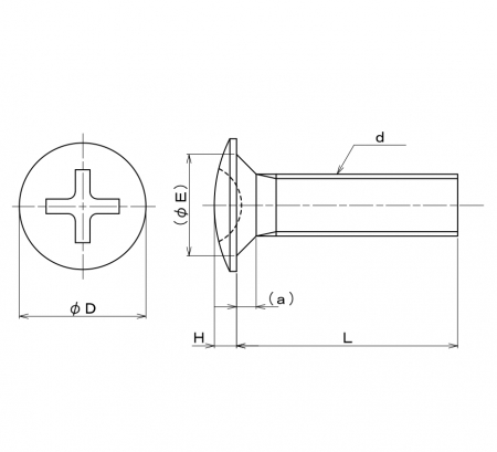
| 特長 | 頭部の高さを極限まで薄く低くし、締付面が極力フラットになるようにした精密0番十字穴付き、ナット等のめねじを利用して締結する小ねじです。十字穴付き薄頭ねじ、超薄平頭小ねじとも呼びます。こちらはM1.4の呼び径で頭部の高さは0.2mmと極薄く、同径のなべ小ねじ0番1種の約40%、なべ0番3種との比較では25%の薄さです。締結後もねじ頭部は殆んどフラットで出っ張らず機器のコンパクト化や軽量化が図れ、引っ掛かりもなく安全性です。同じ呼び径のなべ小ねじ0番3種と同径の頭部径Φ2.5の広い座面は最大締め付けトルクを向上させ、緩み止め効果を発揮し、被締結材の割れ・変形を抑制します。ザグリ加工は不要なので薄板に使用できます。頭を沈める為の追加加工は必要なく製造工程の簡略化によるコストダウンも期待できます。 ※ナット等めねじ不要のセルフタッピングねじ、極薄タイプの「ラミクス タップタイト」Bタイプ(薄鋼板・樹脂用) PSタイプ(樹脂薄板用) を用途に合わせてお選びいただけます。 |
|---|