


| 材質 | 鉄(または標準材) |
|---|---|
| 表面処理 | 三価クロメート |
| サイズ | M1.7~M1.7 |
| 規格 | - - - |
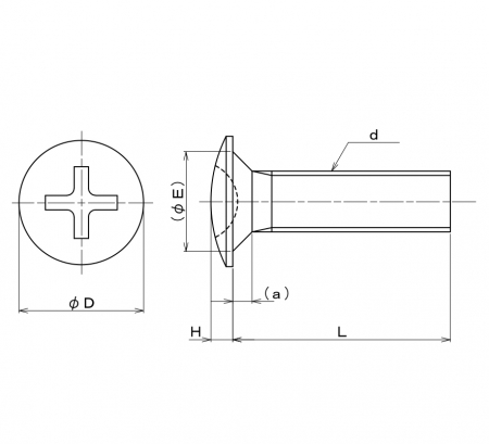
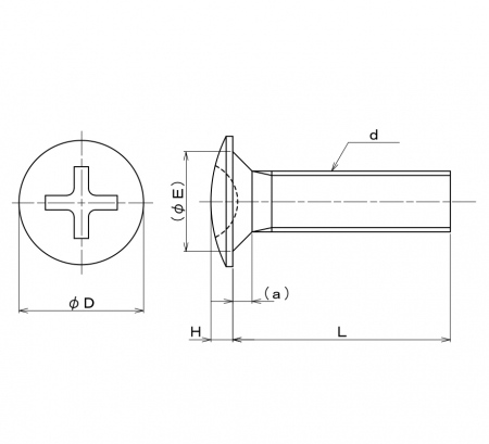
| 特長 | 薄く低くい頭部を極限まで追求し、締付面が平面になるようにした精密0番十字穴付き小ねじです。締結する際にはナットやの相手材にタップしためねじが必要です。十字穴付き薄頭ねじ、超薄平頭小ねじとも呼びます。こちらは呼び径M1.7で頭部の高さは官製はがきの厚みより薄い僅か0.2mm。同径のマイクロねじなべ小ねじ0番1種の約40%、なべ0番3種の25%と極薄くなっています。締結後ねじ頭部は引っ掛かりもなく安全性です。締結部がごく薄いため機器のコンパクト化や軽量化に貢献。頭部径Φ3.0の広い座面は最大締め付けトルクを向上させ、緩み止め効果を発揮し、被締結材の割れ・変形を防ぎます。座ぐりやプレス加工等の頭を沈める為の事前加工は必要ありません。薄板に使用でき、製造工程の簡略化によるコストダウンも期待できます。 ※自らめねじを切るセルフタッピングねじ、極薄タイプの「ラミクス タップタイト」Bタイプ(薄鋼板・樹脂用) PSタイプ(樹脂薄板用) を用途に合わせてお選びいただけます。 ラミクス・ラミメイトは日東精工の登録商標です。 |
|---|