


| 材質 | 鉄(または標準材) |
|---|---|
| 表面処理 | 三価クロメート |
| サイズ | M2~M2 |
| 規格 | - - - |
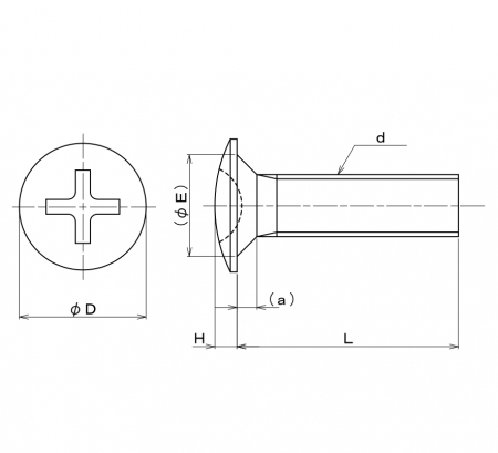
| 特長 | 頭部の薄型化を極限まで追求し、締付面が平面になるようにした精密0番十字穴付き小ねじ。ねじ頭を沈める為の事前加工、座ぐりやプレス加工等は必要なくなります。十字穴付き薄頭ねじ、超薄平頭小ねじとも呼び、ナット等のめねじとで被締結材を挟み込んで締結します。 こちらは呼び径M2.0で頭部の高さは僅か0.3mm。厚口ケント紙の厚みです。同径のマイクロねじなべ0番3種の30%、小頭のなべ小ねじ0番1種と比較しても約50%と極薄です。締結後に引っ掛かりなく安全性で薄く仕上がり、機器を軽量・コンパクトに設計できます。頭部径Φ3.5は鍋島0番3種と同じで着座面は広く、締め付けトルクを向上させ、緩み止め効果も高め、被締結材の割れ・変形を防止します。薄板に使用でき、事前工程の簡略化によるコストダウンに有効です。 ※ねじ立てしながら締結する極薄タイプのセルフタッピングねじ「ラミクス タップタイト」Bタイプ(薄鋼板・樹脂用) PSタイプ(樹脂薄板用)もご購入いただけます。 ラミクス・ラミメイトは日東精工の登録商標です。 |
|---|