

| 材質 | ステンレス |
|---|---|
| 表面処理 | 生地 |
| サイズ | M3~M6 |
| 規格 | - - - |
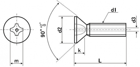
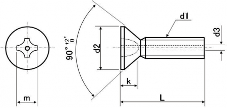
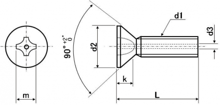
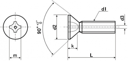
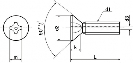
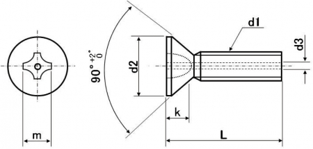
| 特長 | 軸縦方向に貫通穴が開いている皿小ねじでガス抜き穴付き皿ビス、エアー抜き穴付き皿ビス、真空用穴付き皿ビスなどとも呼ばれます。シリコンウェハーへの薄膜形成・加工から太陽電池・FPDの形成製造、光学レンズやガラスへの薄膜形成など現代に欠かすことのできない製品を製造する真空機器・装置に採用されます。 真空ポンプで減圧する際、貫通穴が締結時にねじ穴の底に閉じ込められた空気・ガスの排出をスムーズに行い、目標圧まで圧力を下げるための時間短縮を助けます。また、素材のステンレスは真空中での放出ガスが少なく加工性に優れた金属であるため真空用材料として広く使用されており、薬品に強く、耐腐食性も高いことが知られています。皿頭形状は皿繰り(座繰り加工)を必要としますが、締結後はフラットで安全、また美しく仕上がります。 工業的に「真空」とは、「通常の大気圧より低い圧力の気体で満たされた空間内の状態」のことを指します。空間中に分子が一つも無い「絶対真空」のことではありません。 |
|---|