

| 材質 | ステンレス |
|---|---|
| 表面処理 | 生地 |
| サイズ | M3~M6 |
| 規格 | - - - |
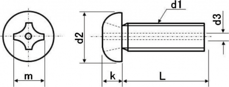
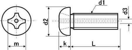
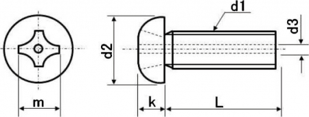
| 特長 | ガス抜き穴付きなべビス、エアー抜き穴付きなべビス、真空用穴付きなべビスなどとも呼ばれる、軸縦方向に貫通穴が開いているなべ小ねじです。光学レンズやガラスへの薄膜形成、シリコンウェハーへの薄膜形成・加工、太陽電池の形成、FPDの製造などで現代に欠かすことのできない真空機器・装置に使用します。 真空引きの際、ねじ穴の底に締結時に閉じ込められた空気・ガスを貫通穴が排出し、素早く目標圧まで圧力を下げ、真空度を保つのに貢献します。また、素材のステンレスは真空中での放出ガスが少なく加工性に優れ、薬品に強く、耐腐食性も高いので真空用材料として広く使用されています。なべ頭形状は座繰り加工を必要とせず汎用性が高いため一般的な締結に幅広く利用できます。 工業的に「真空」とは、容器で隔てられた空間内の圧力が周囲の環境より低い圧力になった状態、通常の大気圧より低い圧力の気体で満たされた空間の状態のことを指します。 |
|---|