

| 材質 | 鉄(または標準材)、SUS410 |
|---|---|
| 表面処理 | 生地、ユニクロ |
| サイズ | 4~5 |
| 規格 | - - - |
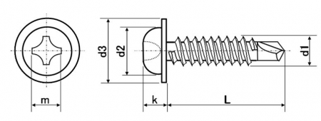
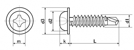
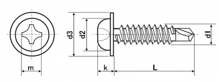
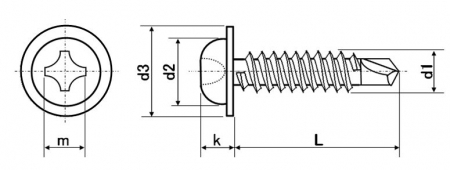
| 特長 | 高品質を誇るミヤガワブランドのドリルねじです。 FRXシリーズのドリルねじはMRXドリルねじの抜群の切れ味を引き継ぎながらも、低コストを実現しています。 主に鋼板に部材を取付ける場合などに使用します。ねじの先端部がドリルの刃先になっており、下穴空けやタップ加工といった事前加工が不要なので、作業効率がアップします。 頭部が低いワッシャー一体化ドリルネジです。頭部が低いので、サイディングやスパンドレルの重ね部などに使用します。 |
|---|