

| 材質 | 鉄(または標準材)、ステンレス |
|---|---|
| 表面処理 | 生地、三価クロメート |
| サイズ | M12×50~M20×180 |
| 規格 | - - - |
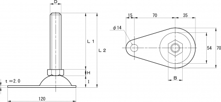
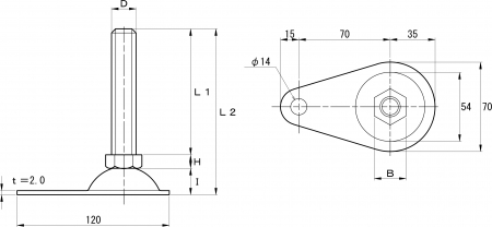
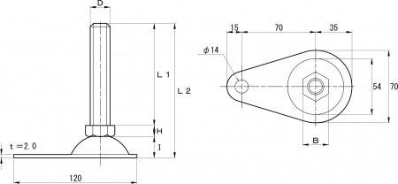
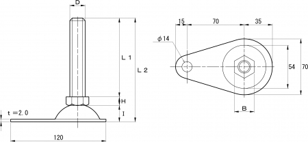
| 特長 | 水平保持や高さ調整のため上下の調節が出来る回転する台座付きのボルトです。自動販売機や制御盤、機械設備等の下部に設置します。こちらは台座部分を床面に芯棒打込み式あと施工アンカーなどでしっかり固定し、振動による機器の位置ずれを防ぐことができる安心の固定用です。M12のスチールで3300圓梁儔拿邸M20のステンレスでは耐荷重5100圓任后並儔拿鼎賄纏劵タログ20ページにてご確認いただけます)。より小型の固定用もご用意できます。アジャスター、アジャスターボルトとも呼ばれます。 標準タイプの他、コーナー用や耐震用など特徴のある様々なタイプが有りますので用途に合わせてお選びいただけます。 後付けで標準タイプアジャストボルトを打込みアンカーなどで固定できる脚止め金具も便利です。 ※サイズは『D×L1』となります。 |
|---|