


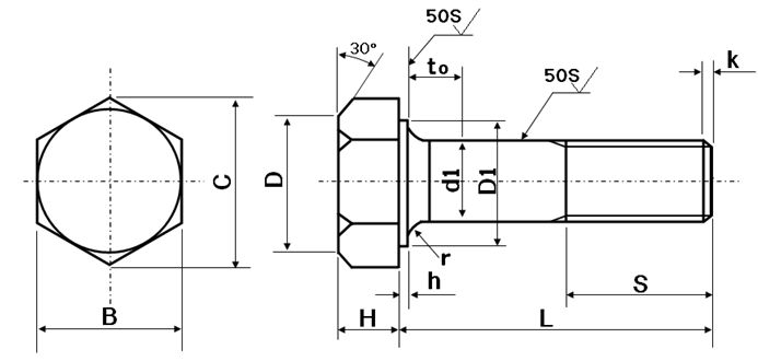
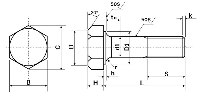
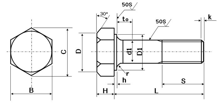
| 材質 | F10T、F8T、10T-SUS |
|---|---|
| 表面処理 | 生地、ドブ |
| サイズ | M12~M24 |
| 規格 | - JIS B1186 - |
| 特長 | 一般的な鋼材よりも引張強度を向上させた「ハイテン鋼」や「高張力鋼」と呼ばれる鋼材で作られた高力六角ボルトです。主に、橋梁・鉄骨構造物など建築分野においてリベットに代わり使用されています。鉄骨造で主要な部材のボルト接合部はハイテンションボルトの様にハイテン鋼を材料とした、いわゆる“高力ボルト”のみを用います。接合方法は主に摩擦接合や引張接合とされ、厳密な締め付けトルクの管理がなされています。 現在使用されている高力ボルトは、高力六角ボルト(例F10T)とトルシア形高力ボルト(例S10T) の二種類です。F10T のF はFriction (摩擦)、S10T のS はStructural(構造)、T はボルトの引張強さTensile Strengthを表し、10 は引張強さ1000N/㎟ の略号です。 “ボルト"という名称ですが、専用の平ワッシャー2枚と六角ナットがセットされているのが一般的です。 高力ボルト・六角ハイテンションボルトという呼称の他、摩擦接合用高力ボルト・高張力ボルト・ハイテンボルトとも呼ばれます。 ※ハイテンションボルトよりもトルク管理が容易なトルクシャーボルト(トルシアボルト/TCボルト/シャーボルト)もございます。 |
|---|