2月1日よりナイロン化粧ねじ(ナット)の割引キャンペーンを実施します!                                    ★★ ねじコンシェル.comは全品 税込 価格です ★★                                    リクエスト商品も受付中です。お気軽にご相談ください。                                    取扱い商品、ドンドン拡充中です。                                    

商品名/型番検索

ショッピングカート

0点の商品が入っています。

合計 0円(税込)

取り扱い商品一覧

ボルト

六角ハイテンションボルト

材質 F10T、F8T、10T-SUS
表面処理 生地、ドブ
サイズ M12~M24
規格 -
JIS B1186
-
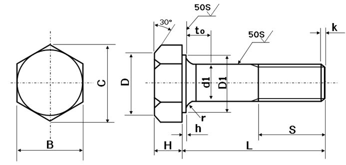
特長 一般的な鋼材よりも引張強度を向上させた「ハイテン鋼」や「高張力鋼」と呼ばれる鋼材で作られた高力六角ボルトです。主に、橋梁・鉄骨構造物など建築分野においてリベットに代わり使用されています。鉄骨造で主要な部材のボルト接合部はハイテンションボルトの様にハイテン鋼を材料とした、いわゆる“高力ボルト”のみを用います。接合方法は主に摩擦接合や引張接合とされ、厳密な締め付けトルクの管理がなされています。
現在使用されている高力ボルトは、高力六角ボルト(例F10T)とトルシア形高力ボルト(例S10T) の二種類です。F10T のF はFriction (摩擦)、S10T のS はStructural(構造)、T はボルトの引張強さTensile Strengthを表し、10 は引張強さ1000N/㎟ の略号です。
“ボルト"という名称ですが、専用の平ワッシャー2枚と六角ナットがセットされているのが一般的です。
高力ボルト・六角ハイテンションボルトという呼称の他、摩擦接合用高力ボルト・高張力ボルト・ハイテンボルトとも呼ばれます。

※ハイテンションボルトよりもトルク管理が容易なトルクシャーボルト(トルシアボルト/TCボルト/シャーボルト)もございます。

・全国一律送料880円(税込)
※ただし一部寸切商品は1,320円(税込)
・11,000円(税込)以上で送料無料!
※返品について
お客様都合での返品は承りかねます。
返品に関してはこちらよりご確認ください。

・本サイトでの最低取引価格は「税込550円~」となります。
なお、「税込550円未満のご注文」に関しては、
「税込550円」として処理させていただきます。
・問合せ商品は、後日当社からご連絡します。
・小数点以下切り上げです。
※箱単価=1本当たりの価格です。

サイズ 材質 表面処理 P (ピッチ) B H C D1 h S 箱単価 入数 ばら
売り
ばら
単価
税抜
価格
発送目安 数量
(個)
価格
M22×50 F8T ドブ 2.5 36 14 41.6 33 0.4-0.8 40 644.60 1 - - 1営業日 0
M22×55 F8T ドブ 2.5 36 14 41.6 33 0.4-0.8 40 663.30 1 - - 1営業日 0
M22×60 F8T ドブ 2.5 36 14 41.6 33 0.4-0.8 40 682.00 1 - - 1営業日 0
M22×65 F8T ドブ 2.5 36 14 41.6 33 0.4-0.8 40 701.80 1 - - 1営業日 0
M22×70 F8T ドブ 2.5 36 14 41.6 33 0.4-0.8 40 721.60 1 - - 1営業日 0
M22×75 F8T ドブ 2.5 36 14 41.6 33 0.4-0.8 40 741.40 1 - - 1営業日 0
M22×80 F8T ドブ 2.5 36 14 41.6 33 0.4-0.8 40 759.00 1 - - 1営業日 0
M22×85 F8T ドブ 2.5 36 14 41.6 33 0.4-0.8 40 778.80 1 - - 1営業日 0
サイズ 材質 表面処理 P (ピッチ) B H C D1 h S 箱単価 入数 ばら
売り
ばら
単価
税抜
価格
発送目安 数量
(個)
価格
M22×90 F8T ドブ 2.5 36 14 41.6 33 0.4-0.8 40 798.60 1 - - 1営業日 0
M22×95 F8T ドブ 2.5 36 14 41.6 33 0.4-0.8 40 818.40 1 - - 1営業日 0
M22×100 F8T ドブ 2.5 36 14 41.6 33 0.4-0.8 40 838.20 1 - - 1営業日 0
M22×105 F8T ドブ 2.5 36 14 41.6 33 0.4-0.8 40 855.80 1 - - 1営業日 0
M22×110 F8T ドブ 2.5 36 14 41.6 33 0.4-0.8 40 875.60 1 - - 1営業日 0
M22×115 F8T ドブ 2.5 36 14 41.6 33 0.4-0.8 40 895.40 1 - - 1営業日 0
M22×120 F8T ドブ 2.5 36 14 41.6 33 0.4-0.8 40 914.10 1 - - 1営業日 0
M22×130 F8T ドブ 2.5 36 14 41.6 33 0.4-0.8 40 953.70 1 - - 1営業日 0
サイズ 材質 表面処理 P (ピッチ) B H C D1 h S 箱単価 入数 ばら
売り
ばら
単価
税抜
価格
発送目安 数量
(個)
価格
M22×140 F8T ドブ 2.5 36 14 41.6 33 0.4-0.8 40 992.20 1 - - 1営業日 0
M24×60 F8T ドブ 3.0 41 15 47.3 38 0.4-0.8 45 903.10 1 - - 1営業日 0
M24×65 F8T ドブ 3.0 41 15 47.3 38 0.4-0.8 45 927.30 1 - - 1営業日 0
M24×70 F8T ドブ 3.0 41 15 47.3 38 0.4-0.8 45 950.40 1 - - 1営業日 0
M24×75 F8T ドブ 3.0 41 15 47.3 38 0.4-0.8 45 975.70 1 - - 1営業日 0
M24×80 F8T ドブ 3.0 41 15 47.3 38 0.4-0.8 45 996.60 1 - - 1営業日 0
M24×85 F8T ドブ 3.0 41 15 47.3 38 0.4-0.8 45 1,021 1 - - 1営業日 0
M24×90 F8T ドブ 3.0 41 15 47.3 38 0.4-0.8 45 1,045 1 - - 1営業日 0

この商品を購入した方におすすめ

・全国一律送料880円(税込)
※ただし一部寸切商品は1,320円(税込)
・11,000円(税込)以上で送料無料!
※返品について
商品到着後、5日以内に着払いでご返品ください。

・本サイトでの最低取引価格は「税込550円~」となります。
なお、「税込550円未満のご注文」に関しては、
「税込550円」として処理させていただきます。
・お問合せ商品は、後日当社からご連絡します。
・小数点以下切り上げです。
※箱単価=1本当たりの価格です。

▲ページのトップに戻る