



| 材質 | 8.8、ステンレス | 
|---|---|
| 表面処理 | 生地、三価クロメート | 
| サイズ | M2~M8 | 
| 規格 | - - -  | 
    
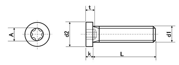
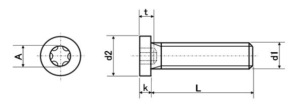
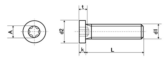
| 特長 | 6ロブキャップはヘクサロビュラ、ヘックスローブ、ヘックスロブなどとも呼ばれる六角星型リセス(ドライブ)を持つトルクス(TORX®)型のねじです。ISO(10664),JIS(B1015)での呼称はヘクサロビュラ穴(Hexalobular:「6つの小葉)の意味)です。カムアウトせず高いトルクで締結でき、作業の高速化・自動化に対応しやすいという特徴があります。また、脱着に専用工具が必要なので、一般の方がみだりに分解しないように携帯電話やコンピューター内部、最近の自動車ではエアバッグやシートベルトまわりなどで利用されています。 極低頭型(頭部の厚みが最大で1.5mm)はザグリ加工をしなくても締結後の出っ張りがほとんど気にならず、また薄い板厚の部材にも使用できる為、作業工程の簡素化や機器のコンパクト化、軽量化にも大変有効です。 また締結後の出っ張りが非常に少ない事から“人に優しく” “安全”なことを理由として福祉器具や大型遊具等でも採用されています。独特のドライブ形状を含め締結後の見た目の美しさからデザイン的要求の高い、人目に触れる部分への採用も増えています。 ※鉄材の引張強度は『8.8』となります。 六角穴付の極低頭キャップはこちらからご購入いただけます。 いじり止め対策により効果的なセンターピン付6ロブボタンキャップ、5ロブ花弁ボタンボルトもございます。  | 
  
|---|