2月1日よりナイロン化粧ねじ(ナット)の割引キャンペーンを実施します!                                    ★★ ねじコンシェル.comは全品 税込 価格です ★★                                    リクエスト商品も受付中です。お気軽にご相談ください。                                    取扱い商品、ドンドン拡充中です。                                    

商品名/型番検索

ショッピングカート

0点の商品が入っています。

合計 0円(税込)

取り扱い商品一覧

小ねじ・マイクロねじ

(+)なべ小ねじ 0番3種

材質 鉄(または標準材)、ステンレス
表面処理 生地、三価クロメート、三価ブラック、ニッケル
サイズ M1.4~M2.6
規格 -
-
-
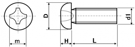
特長 マイクロねじとも呼ばれ、なべ小ねじ0番は日本写真機工業規格(JCIS)「精密機器用十字穴付き小ねじ」が元となっているねじです。精密ねじ、カメラネジ、眼鏡ビス、などの名称で呼ばれることもあります。カメラや眼鏡などの小型精密機器、またPCやスマホなどの電子機器で使われています。
「0番」は十字穴駆動溝が#0の+ドライバーで廻すJIS規格の「#0(ゼロ番)」であることを表し、「3種」は頭部のサイズを表しています。なべ小ねじ0番には1種2種・3種があり、同一の呼び径に対して数字の順に大きくなります。3種は頭部の高さがJISなべ頭と比較して約70%となり、頭部外径は同じです。最も小さい1種は頭部高が約50%、頭部外径も一回り小さくなります。2種は頭部高が1種と同じ、頭部径は3種と同じです。ねじ山ピッチはメートル並目です。同じ呼び径のナット、ワッシャーと組み合わせます。

ねじコンシェルではなべ小ねじ以外にも、皿頭、ラミクス®、タッピンなどの0番小ねじを扱っております。

・全国一律送料880円(税込)
※ただし一部寸切商品は1,320円(税込)
・11,000円(税込)以上で送料無料!
※返品について
お客様都合での返品は承りかねます。
返品に関してはこちらよりご確認ください。

・本サイトでの最低取引価格は「税込550円~」となります。
なお、「税込550円未満のご注文」に関しては、
「税込550円」として処理させていただきます。
・問合せ商品は、後日当社からご連絡します。
・小数点以下切り上げです。
※箱単価=1本当たりの価格です。

サイズ 材質 表面処理 D(基準) H(基準) m(参考) - - - - 箱単価 入数 ばら
売り
ばら
単価
税抜
価格
発送目安 数量
(個)
価格
M1.4×2 鉄(または標準材) 三価クロメート 2.5 0.8 1.65 1.42 10000 × - 1営業日 0
M1.4×2.2 鉄(または標準材) 三価クロメート 2.5 0.8 1.65 1.57 10000 × - 1営業日 0
M1.4×2.5 鉄(または標準材) 三価クロメート 2.5 0.8 1.65 1.42 10000 × - 1営業日 0
M1.4×2.8 鉄(または標準材) 三価クロメート 2.5 0.8 1.65 1.46 10000 × - 問合せ 0
M1.4×3 鉄(または標準材) 三価クロメート 2.5 0.8 1.65 1.42 10000 × - 1営業日 0
M1.4×3.5 鉄(または標準材) 三価クロメート 2.5 0.8 1.65 1.42 10000 × - 1営業日 0
M1.4×4 鉄(または標準材) 三価クロメート 2.5 0.8 1.65 1.42 10000 × - 1営業日 0
M1.4×4.5 鉄(または標準材) 三価クロメート 2.5 0.8 1.65 1.42 10000 × - 1営業日 0
サイズ 材質 表面処理 D(基準) H(基準) m(参考) - - - - 箱単価 入数 ばら
売り
ばら
単価
税抜
価格
発送目安 数量
(個)
価格
M1.4×5 鉄(または標準材) 三価クロメート 2.5 0.8 1.65 1.42 10000 × - 1営業日 0
M1.4×6 鉄(または標準材) 三価クロメート 2.5 0.8 1.65 1.50 10000 × - 1営業日 0
M1.4×7 鉄(または標準材) 三価クロメート 2.5 0.8 1.65 1.57 10000 × - 1営業日 0
M1.4×10 鉄(または標準材) 三価クロメート 2.5 0.8 1.65 1.80 5000 × - 1営業日 0
M1.6×2 鉄(または標準材) 三価クロメート 2.8 0.85 1.8 1.42 10000 × - 1営業日 0
M1.6×3 鉄(または標準材) 三価クロメート 2.8 0.85 1.8 1.42 10000 × - 1営業日 0
M1.6×3.5 鉄(または標準材) 三価クロメート 2.8 0.85 1.8 1.42 10000 × - 1営業日 0
M1.6×4 鉄(または標準材) 三価クロメート 2.8 0.85 1.8 1.42 10000 × - 1営業日 0
サイズ 材質 表面処理 D(基準) H(基準) m(参考) - - - - 箱単価 入数 ばら
売り
ばら
単価
税抜
価格
発送目安 数量
(個)
価格
M1.6×4.5 鉄(または標準材) 三価クロメート 2.8 0.85 1.8 1.42 10000 × - 問合せ 0
M1.6×5 鉄(または標準材) 三価クロメート 2.8 0.85 1.8 1.42 10000 × - 1営業日 0
M1.6×6 鉄(または標準材) 三価クロメート 2.8 0.85 1.8 1.50 5000 × - 1営業日 0
M1.6×7 鉄(または標準材) 三価クロメート 2.8 0.85 1.8 1.57 5000 × - 1営業日 0
M1.6×8 鉄(または標準材) 三価クロメート 2.8 0.85 1.8 1.57 5000 × - 1営業日 0
M1.6×12 鉄(または標準材) 三価クロメート 2.8 0.85 1.8 1.94 5000 × - 1営業日 0
M1.7×1.8 鉄(または標準材) 三価クロメート 3 0.9 1.9 1.54 10000 × - 1営業日 0
M1.7×2 鉄(または標準材) 三価クロメート 3 0.9 1.9 1.42 10000 × - 1営業日 0

この商品を購入した方におすすめ

・全国一律送料880円(税込)
※ただし一部寸切商品は1,320円(税込)
・11,000円(税込)以上で送料無料!
※返品について
商品到着後、5日以内に着払いでご返品ください。

・本サイトでの最低取引価格は「税込550円~」となります。
なお、「税込550円未満のご注文」に関しては、
「税込550円」として処理させていただきます。
・お問合せ商品は、後日当社からご連絡します。
・小数点以下切り上げです。
※箱単価=1本当たりの価格です。

▲ページのトップに戻る