

| 材質 | 鉄(または標準材)、ステンレス |
|---|---|
| 表面処理 | 生地、三価クロメート、三価ブラック、ニッケル |
| サイズ | M1.4~M2.6 |
| 規格 | - - - |
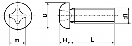
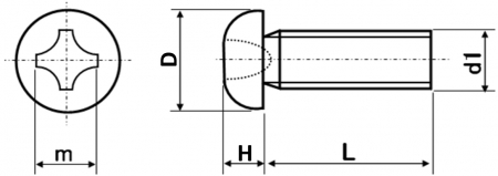
| 特長 | マイクロねじとも呼ばれ、なべ小ねじ0番は日本写真機工業規格(JCIS)「精密機器用十字穴付き小ねじ」が元となっているねじです。精密ねじ、カメラネジ、眼鏡ビス、などの名称で呼ばれることもあります。カメラや眼鏡などの小型精密機器、またPCやスマホなどの電子機器で使われています。 「0番」は十字穴駆動溝が#0の+ドライバーで廻すJIS規格の「#0(ゼロ番)」であることを表し、「3種」は頭部のサイズを表しています。なべ小ねじ0番には1種・2種・3種があり、同一の呼び径に対して数字の順に大きくなります。3種は頭部の高さがJISなべ頭と比較して約70%となり、頭部外径は同じです。最も小さい1種は頭部高が約50%、頭部外径も一回り小さくなります。2種は頭部高が1種と同じ、頭部径は3種と同じです。ねじ山ピッチはメートル並目です。同じ呼び径のナット、ワッシャーと組み合わせます。 ねじコンシェルではなべ小ねじ以外にも、皿頭、ラミクス®、タッピンなどの0番小ねじを扱っております。 |
|---|