3月1日より高強度ステンレスシリーズの割引キャンペーンを実施します!                                    ★★ ねじコンシェル.comは全品 税込 価格です ★★                                    リクエスト商品も受付中です。お気軽にご相談ください。                                    取扱い商品、ドンドン拡充中です。                                    

商品名/型番検索

ショッピングカート

0点の商品が入っています。

合計 0円(税込)

取り扱い商品一覧

ワッシャー

片舌付きワッシャー

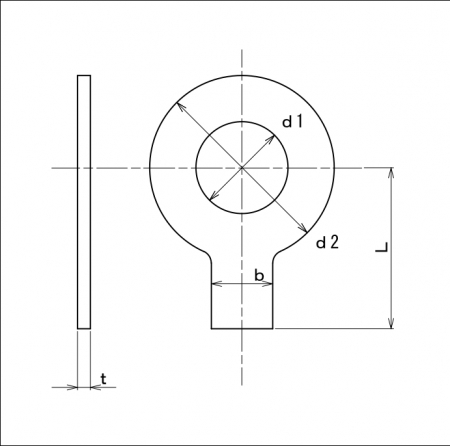
材質 鉄(または標準材)、ステンレス
表面処理 生地
サイズ M3~M42
規格 -
-
-
特長 丸ワッシャーに舌のように見える出っ張りがあることから舌付き座金の名前がついています。こちらは「舌」が1枚なので片舌付き、「舌」が2枚のものは両舌付きワッシャーと呼ばれます。緩み方向への回転により軸力(予張力)が抜ける回転緩み対策として使用されます。
ワッシャーの「舌」を締結後にワークの突起物等に引っかかる様にセット、あるいはねじ締め後「舌」をワークの角や設けた溝へ折り曲げワッシャーを固定し、その後ワッシャー外周の一部をナットの一辺と平行に折り曲げぴったりと密着させます。こうすることで振動等が加わってもナットは回転せず緩み止め効果が得られます。
舌付きワッシャーは取り付けの作業時間が長く、緩み止めの効果性が作業者の熟練度に依存するため、簡単作業で確実な効果が得られるノルトロックワッシャーや、Uナットペタルファスナー等の緩み止め商品を導入することで工期の短縮やコストの削減を図ることのできる場合もあります。

ボルトとサイズを合わせてご使用ください。(M10ボルト→M10ワッシャー)

・全国一律送料880円(税込)
※ただし一部寸切商品は1,320円(税込)
・11,000円(税込)以上で送料無料!
※返品について
お客様都合での返品は承りかねます。
返品に関してはこちらよりご確認ください。

・本サイトでの最低取引価格は「税込550円~」となります。
なお、「税込550円未満のご注文」に関しては、
「税込550円」として処理させていただきます。
・問合せ商品は、後日当社からご連絡します。
・小数点以下切り上げです。
※箱単価=1本当たりの価格です。

サイズ 材質 表面処理 d1 d2 L b t - - 箱単価 入数 ばら
売り
ばら
単価
税抜
価格
発送目安 数量
(個)
価格
M6 鉄(または標準材) 生地 6.5 18 15 6 0.5 23.74 3000 47.48 1営業日 0
M8 鉄(または標準材) 生地 8.5 22 20 7 0.5 23.74 1000 47.48 1営業日 0
M10 鉄(または標準材) 生地 10.5 26 22 9 0.8 23.74 1000 47.48 1営業日 0
M12 鉄(または標準材) 生地 12.5 30 27 10 0.8 26.44 500 52.87 1営業日 0
M16 鉄(または標準材) 生地 17 38 32 12 1.2 31.59 300 63.17 1営業日 0
M20 鉄(または標準材) 生地 21 45 36 15 1.2 41.68 200 83.36 1営業日 0
M22 鉄(または標準材) 生地 23 48 40 16 1.2 50.48 200 100.96 1営業日 0
M24 鉄(または標準材) 生地 25 52 44 17 1.2 70.84 200 141.68 1営業日 0
サイズ 材質 表面処理 d1 d2 L b t - - 箱単価 入数 ばら
売り
ばら
単価
税抜
価格
発送目安 数量
(個)
価格
M30 鉄(または標準材) 生地 31 62 52 21 1.6 169.40 50 338.80 1営業日 0
M36 鉄(または標準材) 生地 37 75 60 26 1.6 212.30 50 424.60 1営業日 0
M42 鉄(または標準材) 生地 44 85 70 28 1.8 473.00 30 946.00 1営業日 0
M3 ステンレス 生地 3.2 12 13 4 0.3 36.72 6000 73.44 1営業日 0
M4 ステンレス 生地 4.3 14 14 5 0.3 36.72 4000 73.44 1営業日 0
M5 ステンレス 生地 5.3 17 15 6 0.5 29.90 3000 59.80 1営業日 0
M6 ステンレス 生地 6.5 18 15 6 0.5 29.90 2000 59.80 1営業日 0
M8 ステンレス 生地 8.5 22 20 7 0.5 35.49 2000 70.98 1営業日 0
サイズ 材質 表面処理 d1 d2 L b t - - 箱単価 入数 ばら
売り
ばら
単価
税抜
価格
発送目安 数量
(個)
価格
M10 ステンレス 生地 10.5 26 22 9 0.8 43.38 1000 86.75 1営業日 0
M12 ステンレス 生地 12.5 30 27 10 0.8 43.61 500 87.21 1営業日 0
M14 ステンレス 生地 15 32 30 10 0.8 67.15 500 134.29 1営業日 0
M16 ステンレス 生地 17 38 32 12 1.2 94.25 300 188.50 1営業日 0
M18 ステンレス 生地 19 42 34 14 1.2 110.33 200 220.66 1営業日 0
M20 ステンレス 生地 21 45 36 15 1.2 129.36 200 258.72 1営業日 0
M22 ステンレス 生地 23 48 40 16 1.2 166.32 200 332.64 1営業日 0
M24 ステンレス 生地 25 52 44 17 1.2 166.32 200 332.64 1営業日 0

この商品を購入した方におすすめ

・全国一律送料880円(税込)
※ただし一部寸切商品は1,320円(税込)
・11,000円(税込)以上で送料無料!
※返品について
商品到着後、5日以内に着払いでご返品ください。

・本サイトでの最低取引価格は「税込550円~」となります。
なお、「税込550円未満のご注文」に関しては、
「税込550円」として処理させていただきます。
・お問合せ商品は、後日当社からご連絡します。
・小数点以下切り上げです。
※箱単価=1本当たりの価格です。

▲ページのトップに戻る