

| 材質 | 鉄(または標準材)、ステンレス |
|---|---|
| 表面処理 | 生地、三価クロメート |
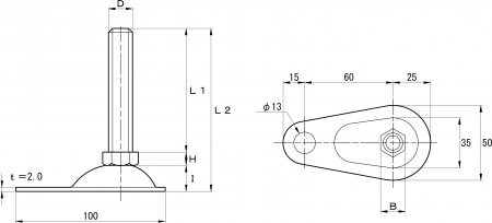
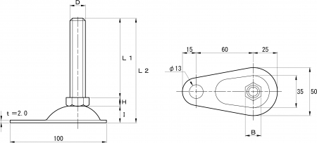
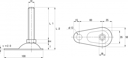
| サイズ | M10×50~M16×180 |
| 規格 | - - - |
| 特長 | こちらは水平保持や高さ調整のため上下の調節が出来るアジャストボルト固定用の台座部が小さなタイプです。台座部を芯棒打込み式あと施工アンカーなどを用いて床面にしっかり固定します。振動による足ズレを防ぐことができ安全安心です。自動販売機や制御盤、機械設備等の設置の際に使用します。耐荷重はM10のスチールで1900圈M16のステンレスでは5300圓箸覆蠅泙后幣楮戮賄纏劵タログ21ページにてご確認いただけます)。アジャスター、アジャスターボルトとも呼ばれます。標準タイプの他、コーナー用、耐震用、家具用など特徴のある様々なタイプを用途に合わせてお選びいただけます。 後施工で標準タイプアジャストボルトと組み合わせて打込みアンカー等でしっかり固定できる脚止め金具の使用もお勧めです。 ※サイズは『D×L1』となります。 |
|---|