3月1日より高強度ステンレスシリーズの割引キャンペーンを実施します!                                    ★★ ねじコンシェル.comは全品 税込 価格です ★★                                    リクエスト商品も受付中です。お気軽にご相談ください。                                    取扱い商品、ドンドン拡充中です。                                    

商品名/型番検索

ショッピングカート

0点の商品が入っています。

合計 0円(税込)

取り扱い商品一覧

ボルト、建物金物

アイボルト

材質 鉄(または標準材)、S45C、ステンレス、SUS316
表面処理 生地、ユニクロ、クロメート、三価クロメート、ドブ
サイズ M4~M64
規格 -
JIS B 1168
-
カタログPDFはこちら
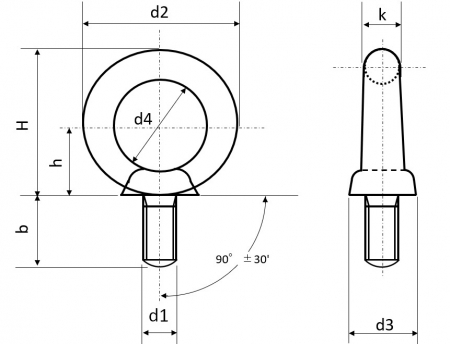
特長 頭部がリング状になったボルトで、リング部分を目(eye)に見立てて"アイボルト"と呼ばれます。重量物の吊り上げに用いる為 “吊りボルト"とも呼ばれます。モーター・工作機械などにアイボルトを取り付け、リングにワイヤー等を通して吊り上げます。
一点吊り(垂直吊り)のほか、二点吊り(45度吊り)、四点吊り(多点吊り)などの方法もあります。一つの対象物については、ボルトの使用個数には関係なく、そのボルトサイズの使用荷重が適用されます。
  例:M10のアイボルト(使用荷重1.74kN/150f)を使用する場合、アイボルトを2個以上取り付けるとしても使用荷重は1.74kN/150fのまま変わりません。
安全作業の為に、受け側の材質は鋼または鋳鉄・横吊使用しない・ボルト座面を対象物に密着させる・ゆっくり吊り上げ急激に上下左右させない・吊り角度は45度以下(30度以下が望ましい)・2個のアイボルトのリングの向きは同一平面同一方向にする・一本のロープ等を複数のリングに掛けない、などをお守りください。
使用荷重の詳細はPDFファイルをご覧下さい。

※S45CはS45C(N)材となります。
※お得な輸入品もございます。
作業性を向上させるマルチアイボルトもお勧めです。

・全国一律送料880円(税込)
※ただし一部寸切商品は1,320円(税込)
・11,000円(税込)以上で送料無料!
※返品について
お客様都合での返品は承りかねます。
返品に関してはこちらよりご確認ください。

・本サイトでの最低取引価格は「税込550円~」となります。
なお、「税込550円未満のご注文」に関しては、
「税込550円」として処理させていただきます。
・問合せ商品は、後日当社からご連絡します。
・小数点以下切り上げです。
※箱単価=1本当たりの価格です。

サイズ 材質 表面処理 d2 d4 k d3 h H(参考) b 箱単価 入数 ばら
売り
ばら
単価
税抜
価格
発送目安 数量
(個)
価格
M8 鉄(または標準材) ユニクロ 32.6 20 6.3 16 17 33.3 15 134.53 70 269.06 即納可能 0
M10 鉄(または標準材) ユニクロ 41 25 8 20 21 41.5 18 154.77 40 309.54 即納可能 0
M12 鉄(または標準材) ユニクロ 50 30 10 25 26 51 22 207.79 20 415.58 即納可能 0
M14 鉄(または標準材) ユニクロ 60 35 12.5 30 30 60 27 409.09 150 818.18 1営業日 0
M16 鉄(または標準材) ユニクロ 60 35 12.5 30 30 60 27 314.60 10 629.20 即納可能 0
M18 鉄(または標準材) ユニクロ 72 40 16 35 35 71 30 806.41 70 1,614 1営業日 0
M20 鉄(または標準材) ユニクロ 72 40 16 35 35 71 30 467.06 70 934.12 即納可能 0
M22 鉄(または標準材) ユニクロ 81 45 18 40 40 80.5 35 1,076 50 2,152 1営業日 0
サイズ 材質 表面処理 d2 d4 k d3 h H(参考) b 箱単価 入数 ばら
売り
ばら
単価
税抜
価格
発送目安 数量
(個)
価格
M24 鉄(または標準材) ユニクロ 90 50 20 45 45 90 38 943.80 35 1,888 即納可能 0
M27 鉄(または標準材) ユニクロ 110 60 25 60 55 110 45 3,947 20 7,894 1営業日 0
M30 鉄(または標準材) ユニクロ 110 60 25 60 55 110 45 1,971 20 3,941 即納可能 0
M33 鉄(または標準材) ユニクロ 110 60 25 60 55 110 45 3,583 20 7,166 1営業日 0
M36 鉄(または標準材) ユニクロ 133 70 31.5 70 65 131.5 55 4,199 10 8,398 即納可能 0
M42 鉄(または標準材) ユニクロ 151 80 35.5 80 75 150.5 65 8,047 6 16,093 1営業日 0
M48 鉄(または標準材) ユニクロ 170 90 40 90 85 170 70 13,268 5 26,535 即納可能 0
M5 鉄(または標準材) クロメート 26 16 5 13 13.5 26.5 12.5 518.76 150 × - 問合せ 0
サイズ 材質 表面処理 d2 d4 k d3 h H(参考) b 箱単価 入数 ばら
売り
ばら
単価
税抜
価格
発送目安 数量
(個)
価格
M6 鉄(または標準材) クロメート 26 16 5 13 13.5 26.5 12.5 157.74 120 × - 問合せ 0
M8 鉄(または標準材) クロメート 32.6 20 6.3 16 17 33.3 15 143.55 70 × - 問合せ 0
M10 鉄(または標準材) クロメート 41 25 8 20 21 41.5 18 165.11 40 × - 問合せ 0
M12 鉄(または標準材) クロメート 50 30 10 25 26 51 22 221.76 20 × - 問合せ 0
M14 鉄(または標準材) クロメート 60 35 12.5 30 30 60 27 408.43 150 × - 問合せ 0
M16 鉄(または標準材) クロメート 60 35 12.5 30 30 60 27 335.72 10 × - 問合せ 0
M18 鉄(または標準材) クロメート 72 40 16 35 35 71 30 806.41 70 × - 問合せ 0
M20 鉄(または標準材) クロメート 72 40 16 35 35 71 30 497.20 70 × - 問合せ 0

この商品を購入した方におすすめ

・全国一律送料880円(税込)
※ただし一部寸切商品は1,320円(税込)
・11,000円(税込)以上で送料無料!
※返品について
商品到着後、5日以内に着払いでご返品ください。

・本サイトでの最低取引価格は「税込550円~」となります。
なお、「税込550円未満のご注文」に関しては、
「税込550円」として処理させていただきます。
・お問合せ商品は、後日当社からご連絡します。
・小数点以下切り上げです。
※箱単価=1本当たりの価格です。

▲ページのトップに戻る